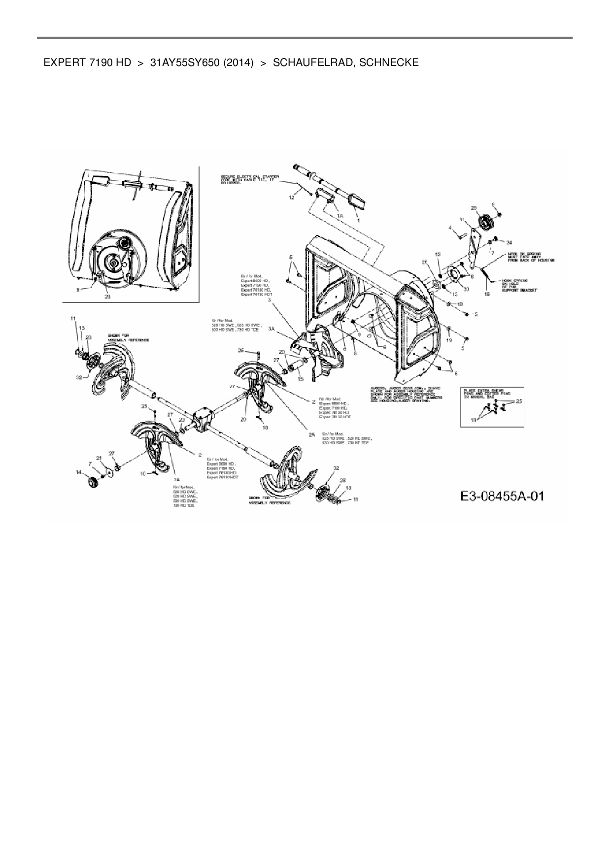
Schaufelrad, Schnecke

Zeichnung für Wolf-Garten Expert Schneefräse Expert 7190 HD mit der Geräte-Artikelnr. 31AY55SY650 ab Baujahr 2014:

Zeichnung Schaufelrad, Schnecke

Die Ersatzteil-Zeichnung für Schneefräse Wolf-Garten Expert Expert 7190 HD als Download:
Download Ersatzteil-Zeichnung Wolf-Garten Expert Expert 7190 HD Zeichnung Schaufelrad, Schnecke (PDF-Format)
Download Ersatzteil-Zeichnung Wolf-Garten Expert Expert 7190 HD Zeichnung Schaufelrad, Schnecke (JPG-Format)

Sollten Sie Fragen zu einem Ersatzteil haben, können Sie uns gerne eine E-Mail (mit einem Foto vom Typenschild Ihres Gerätes) schreiben oder eine Ersatzteilanfrage stellen.

Ersatzteile für Schneefräse Wolf-Garten Expert Expert 7190 HD aus der Zeichnung Schaufelrad, Schnecke:
Artikel 1 - 31 von 31

25,79 € *
Lieferzeit: 2 - 10 Werktage
12,46 € *
Lieferzeit: 2 - 10 Werktage
4,88 € *
Lieferzeit: 2 - 10 Werktage
17,46 € *
Lieferzeit: 2 - 10 Werktage
13,06 € *
Lieferzeit: 2 - 10 Werktage
9,88 € *
Lieferzeit: 2 - 10 Werktage

Artikel 1 - 31 von 31