Pedale

Zeichnung für Yard-Man Rasentraktor AE 5150 K mit der Geräte-Artikelnr. 13CI504E643 ab Baujahr 2004:

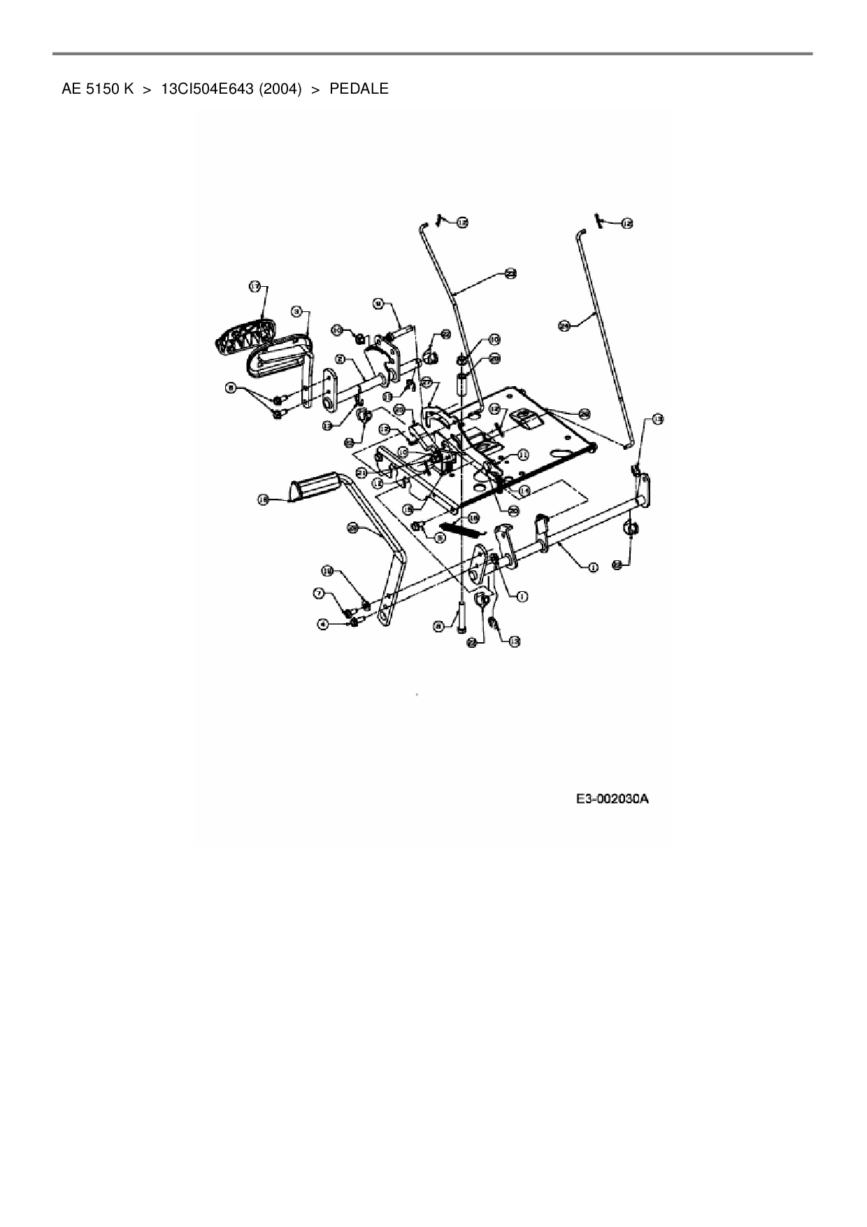
Zeichnung Pedale

Die Ersatzteil-Zeichnung für Rasentraktor Yard-Man AE 5150 K als Download:
Download Ersatzteil-Zeichnung Yard-Man AE 5150 K Zeichnung Pedale (PDF-Format)
Download Ersatzteil-Zeichnung Yard-Man AE 5150 K Zeichnung Pedale (JPG-Format)

Sollten Sie Fragen zu einem Ersatzteil haben, können Sie uns gerne eine E-Mail (mit einem Foto vom Typenschild Ihres Gerätes) schreiben oder eine Ersatzteilanfrage stellen.

Ersatzteile für Rasentraktor Yard-Man AE 5150 K aus der Zeichnung Pedale:
Artikel 1 - 20 von 28

76,00 € *
Lieferzeit: 2 - 10 Werktage
49,10 € *
Lieferzeit: 2 - 10 Werktage
5,88 € *
Lieferzeit: 2 - 10 Werktage
5,88 € *
Lieferzeit: 2 - 10 Werktage
5,88 € *
Lieferzeit: 2 - 10 Werktage
7,88 € *
Lieferzeit: 2 - 10 Werktage
7,88 € *
Lieferzeit: 2 - 10 Werktage
13,88 € *
Lieferzeit: 2 - 10 Werktage
5,88 € *
Lieferzeit: 2 - 10 Werktage
6,88 € *
Lieferzeit: 2 - 10 Werktage
4,88 € *
Lieferzeit: 2 - 10 Werktage
5,88 € *
Lieferzeit: 2 - 10 Werktage
5,88 € *
Lieferzeit: 2 - 10 Werktage
5,88 € *
Lieferzeit: 2 - 10 Werktage
12,26 € *
Lieferzeit: 2 - 10 Werktage
14,30 € *
Lieferzeit: 2 - 10 Werktage
18,32 € *
Lieferzeit: 2 - 10 Werktage
5,88 € *
Lieferzeit: 2 - 10 Werktage
8,88 € *
Lieferzeit: 2 - 10 Werktage

Artikel 1 - 20 von 28