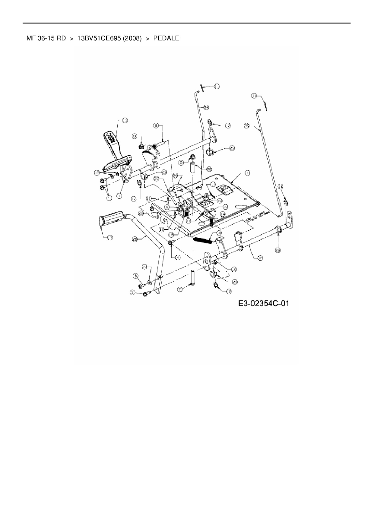
Pedale

Zeichnung für Massey Ferguson Rasentraktor MF 36-15 RD mit der Geräte-Artikelnr. 13BV51CE695 ab Baujahr 2008:

Zeichnung Pedale

Die Ersatzteil-Zeichnung für Rasentraktor Massey Ferguson MF 36-15 RD als Download:
Download Ersatzteil-Zeichnung Massey Ferguson MF 36-15 RD Zeichnung Pedale (PDF-Format)
Download Ersatzteil-Zeichnung Massey Ferguson MF 36-15 RD Zeichnung Pedale (JPG-Format)

Sollten Sie Fragen zu einem Ersatzteil haben, können Sie uns gerne eine E-Mail (mit einem Foto vom Typenschild Ihres Gerätes) schreiben oder eine Ersatzteilanfrage stellen.

Ersatzteile für Rasentraktor Massey Ferguson MF 36-15 RD aus der Zeichnung Pedale:
Artikel 1 - 20 von 28

5,88 € *
Lieferzeit: 2 - 10 Werktage
18,32 € *
Lieferzeit: 2 - 10 Werktage
4,88 € *
Lieferzeit: 2 - 10 Werktage

Artikel 1 - 20 von 28