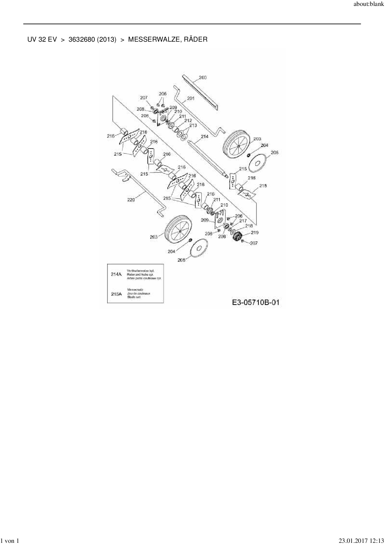
Messerwalze, Räder

Zeichnung für Wolf-Garten Elektrovertikutierer UV 32 EV mit der Geräte-Artikelnr. 3632680 ab Baujahr 2013:

Zeichnung Messerwalze, Räder

Die Ersatzteil-Zeichnung für Elektrovertikutierer Wolf-Garten UV 32 EV als Download:
Download Ersatzteil-Zeichnung Wolf-Garten UV 32 EV Zeichnung Messerwalze, Räder (PDF-Format)
Download Ersatzteil-Zeichnung Wolf-Garten UV 32 EV Zeichnung Messerwalze, Räder (JPG-Format)

Sollten Sie Fragen zu einem Ersatzteil haben, können Sie uns gerne eine E-Mail (mit einem Foto vom Typenschild Ihres Gerätes) schreiben oder eine Ersatzteilanfrage stellen.

Ersatzteile für Elektrovertikutierer Wolf-Garten UV 32 EV aus der Zeichnung Messerwalze, Räder:
Artikel 1 - 19 von 19

15,88 € *
Lieferzeit: 2 - 10 Werktage
12,88 € *
Lieferzeit: 2 - 10 Werktage
31,88 € *
Lieferzeit: 2 - 10 Werktage
5,88 € *
Lieferzeit: 2 - 10 Werktage
6,88 € *
Lieferzeit: 2 - 10 Werktage
64,27 € *
Lieferzeit: 2 - 10 Werktage
300,82 € *
Lieferzeit: 2 - 10 Werktage
7,88 € *
Lieferzeit: 2 - 10 Werktage
6,88 € *
Lieferzeit: 2 - 10 Werktage

Artikel 1 - 19 von 19