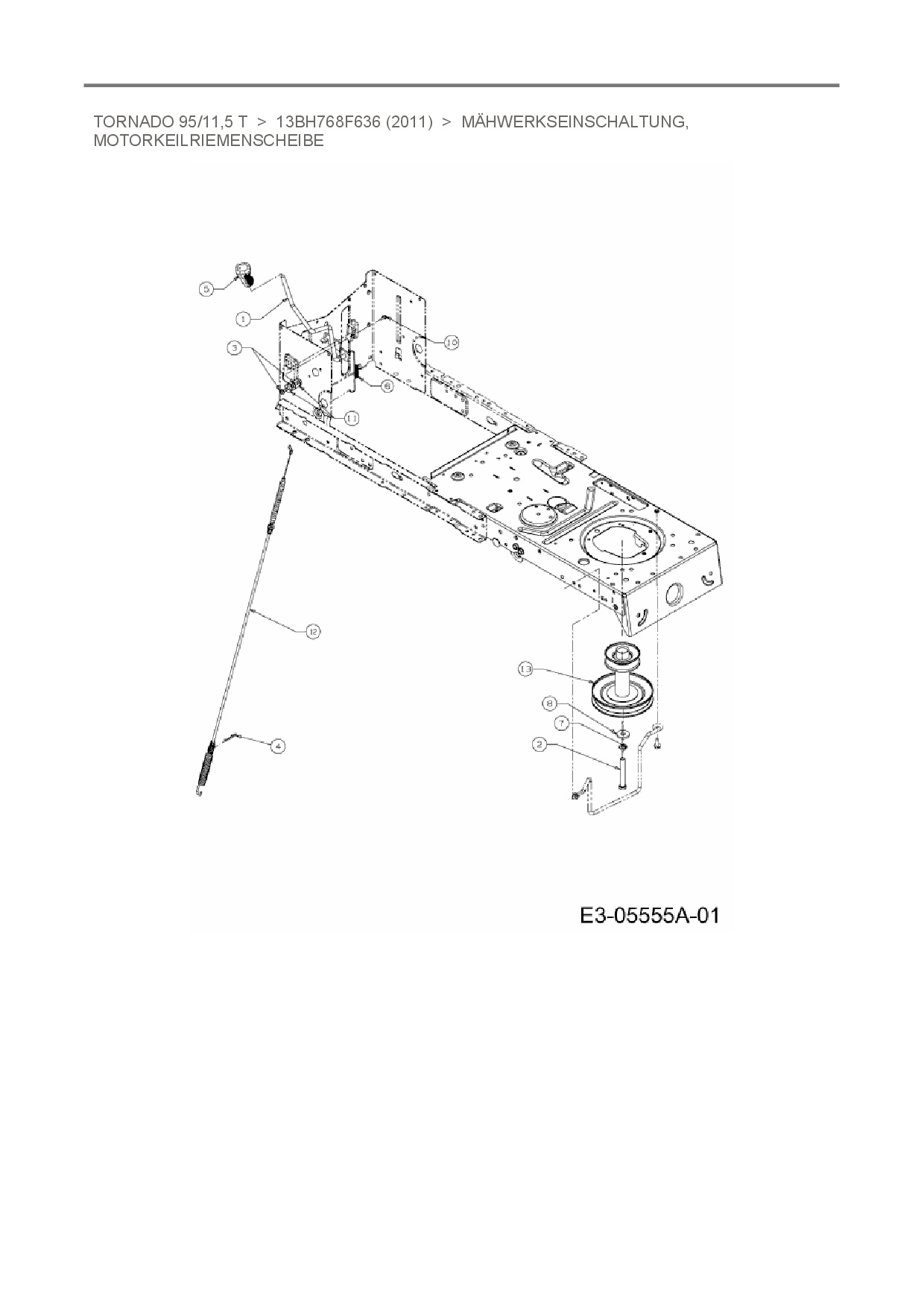
Mähwerkseinschaltung, Motorkeilriemenscheibe

Zeichnung für Oleo-Mac Rasentraktor Tornado 95/11,5 T mit der Geräte-Artikelnr. 13BH768F636 ab Baujahr 2011:

Zeichnung Mähwerkseinschaltung, Motorkeilriemenscheibe

Die Ersatzteil-Zeichnung für Rasentraktor Oleo-Mac Tornado 95/11,5 T als Download:
Download Ersatzteil-Zeichnung Oleo-Mac Tornado 95/11,5 T Zeichnung Mähwerkseinschaltung, Motorkeilriemenscheibe (PDF-Format)
Download Ersatzteil-Zeichnung Oleo-Mac Tornado 95/11,5 T Zeichnung Mähwerkseinschaltung, Motorkeilriemenscheibe (JPG-Format)

Sollten Sie Fragen zu einem Ersatzteil haben, können Sie uns gerne eine E-Mail (mit einem Foto vom Typenschild Ihres Gerätes) schreiben oder eine Ersatzteilanfrage stellen.

Ersatzteile für Rasentraktor Oleo-Mac Tornado 95/11,5 T aus der Zeichnung Mähwerkseinschaltung, Motorkeilriemenscheibe:
Artikel 1 - 11 von 11

16,29 € *
Lieferzeit: 2 - 10 Werktage
12,88 € *
Lieferzeit: 2 - 10 Werktage
8,88 € *
Lieferzeit: 2 - 10 Werktage

Artikel 1 - 11 von 11