Lenkung

Zeichnung für Oleo-Mac Rasentraktor Tornado 108/18,5 H mit der Geräte-Artikelnr. 13AO79KG636 ab Baujahr 2010:

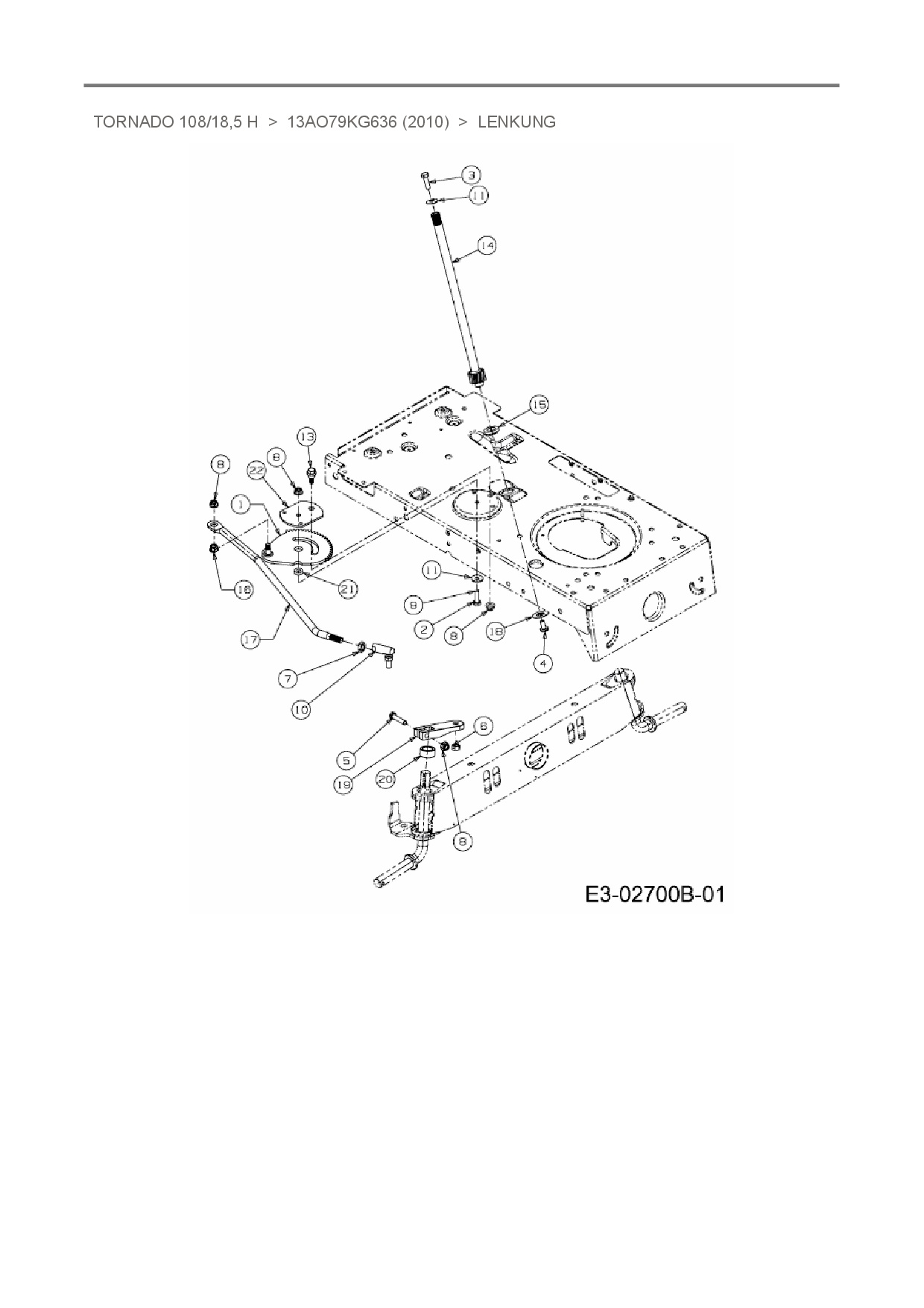
Zeichnung Lenkung

Die Ersatzteil-Zeichnung für Rasentraktor Oleo-Mac Tornado 108/18,5 H als Download:
Download Ersatzteil-Zeichnung Oleo-Mac Tornado 108/18,5 H Zeichnung Lenkung (PDF-Format)
Download Ersatzteil-Zeichnung Oleo-Mac Tornado 108/18,5 H Zeichnung Lenkung (JPG-Format)

Sollten Sie Fragen zu einem Ersatzteil haben, können Sie uns gerne eine E-Mail (mit einem Foto vom Typenschild Ihres Gerätes) schreiben oder eine Ersatzteilanfrage stellen.

Ersatzteile für Rasentraktor Oleo-Mac Tornado 108/18,5 H aus der Zeichnung Lenkung:
Artikel 1 - 20 von 20

5,88 € *
Lieferzeit: 2 - 10 Werktage
29,04 € *
Lieferzeit: 2 - 10 Werktage
27,20 € *
Lieferzeit: 2 - 10 Werktage

Artikel 1 - 20 von 20