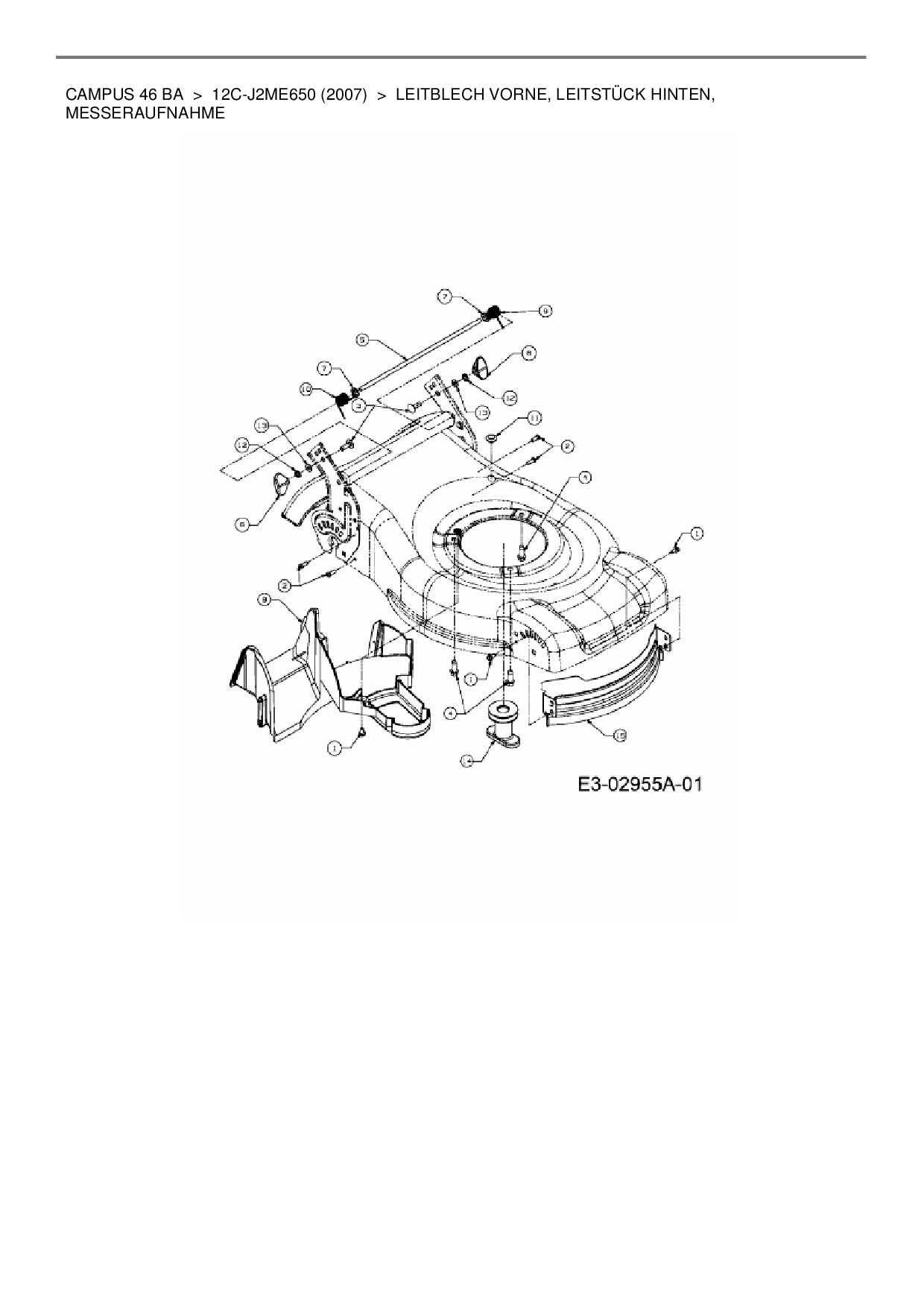
Leitblech vorne, Leitstück hinten, Messeraufnahme

Zeichnung für Wolf-Garten Motormäher mit Antrieb Campus 46 BA mit der Geräte-Artikelnr. 12C-J2ME650 ab Baujahr 2007:

Zeichnung Leitblech vorne, Leitstück hinten, Messeraufnahme

Die Ersatzteil-Zeichnung für Motormäher mit Antrieb Wolf-Garten Campus 46 BA als Download:
Download Ersatzteil-Zeichnung Wolf-Garten Campus 46 BA Zeichnung Leitblech vorne, Leitstück hinten, Messeraufnahme (PDF-Format)
Download Ersatzteil-Zeichnung Wolf-Garten Campus 46 BA Zeichnung Leitblech vorne, Leitstück hinten, Messeraufnahme (JPG-Format)

Sollten Sie Fragen zu einem Ersatzteil haben, können Sie uns gerne eine E-Mail (mit einem Foto vom Typenschild Ihres Gerätes) schreiben oder eine Ersatzteilanfrage stellen.

Ersatzteile für Motormäher mit Antrieb Wolf-Garten Campus 46 BA aus der Zeichnung Leitblech vorne, Leitstück hinten, Messeraufnahme:
Artikel 1 - 13 von 13


Artikel 1 - 13 von 13