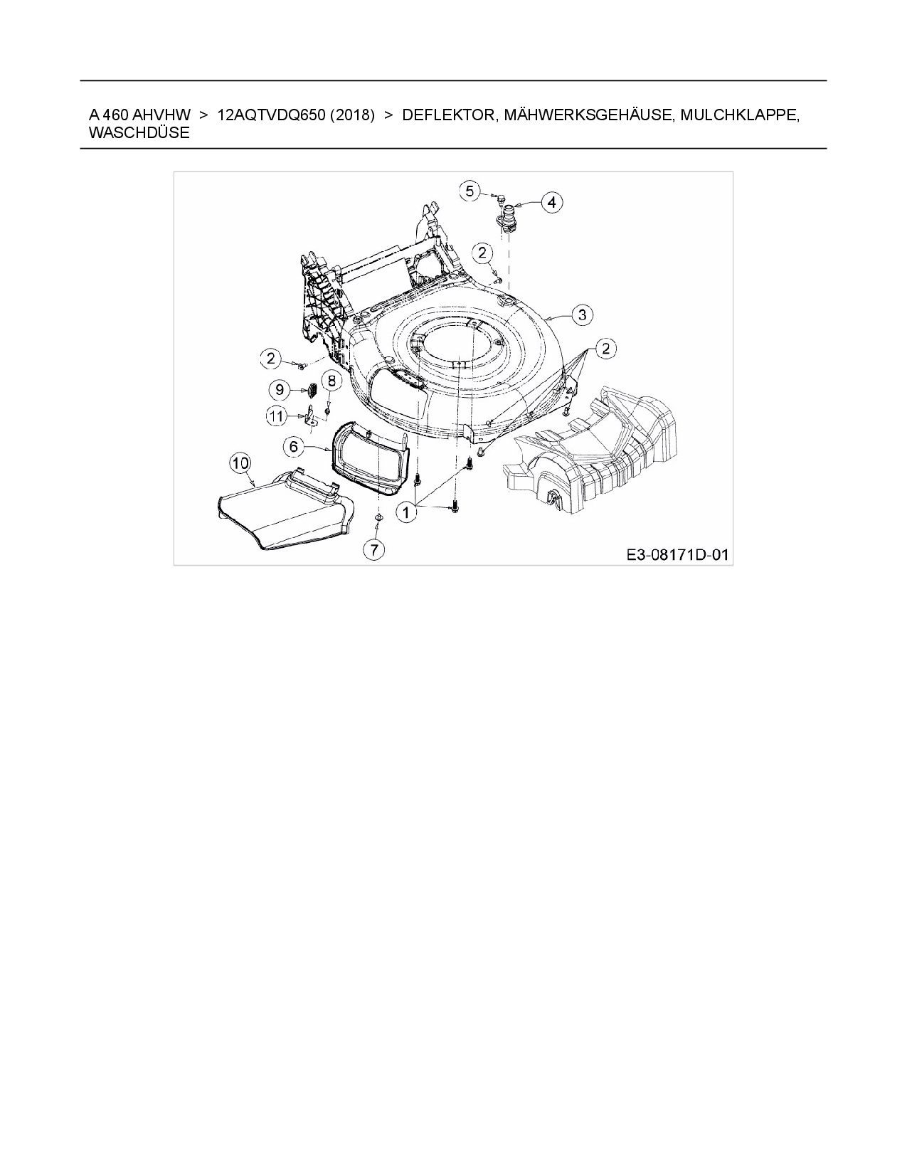
Deflektor, Mähwerksgehäuse, Mulchklappe, Waschdüse

Zeichnung für Wolf-Garten Motormäher mit Antrieb A 460 AHVHW mit der Geräte-Artikelnr. 12AQTVDQ650 ab Baujahr 2018:

Zeichnung Deflektor, Mähwerksgehäuse, Mulchklappe, Waschdüse

Die Ersatzteil-Zeichnung für Motormäher mit Antrieb Wolf-Garten A 460 AHVHW als Download:
Download Ersatzteil-Zeichnung Wolf-Garten A 460 AHVHW Zeichnung Deflektor, Mähwerksgehäuse, Mulchklappe, Waschdüse (PDF-Format)
Download Ersatzteil-Zeichnung Wolf-Garten A 460 AHVHW Zeichnung Deflektor, Mähwerksgehäuse, Mulchklappe, Waschdüse (JPG-Format)

Sollten Sie Fragen zu einem Ersatzteil haben, können Sie uns gerne eine E-Mail (mit einem Foto vom Typenschild Ihres Gerätes) schreiben oder eine Ersatzteilanfrage stellen.

Ersatzteile für Motormäher mit Antrieb Wolf-Garten A 460 AHVHW aus der Zeichnung Deflektor, Mähwerksgehäuse, Mulchklappe, Waschdüse:
Artikel 1 - 9 von 9


Artikel 1 - 9 von 9