bis 12/2014

Ersatzteile für Scheppach Wippsäge PL 7010 - Modell Kity (Gerätenr. 3015109916) - bis 12/2014

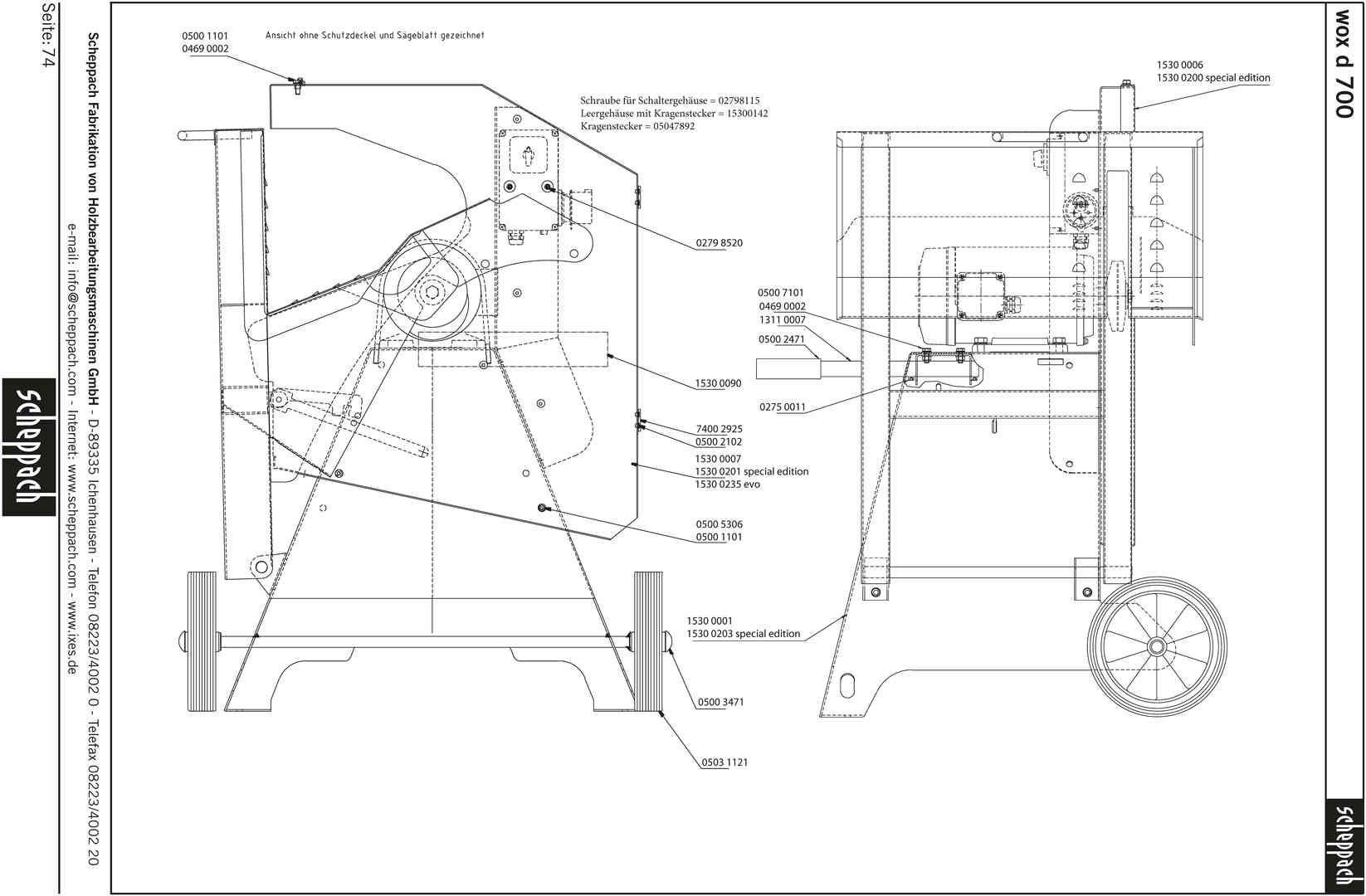
Zeichnung 01
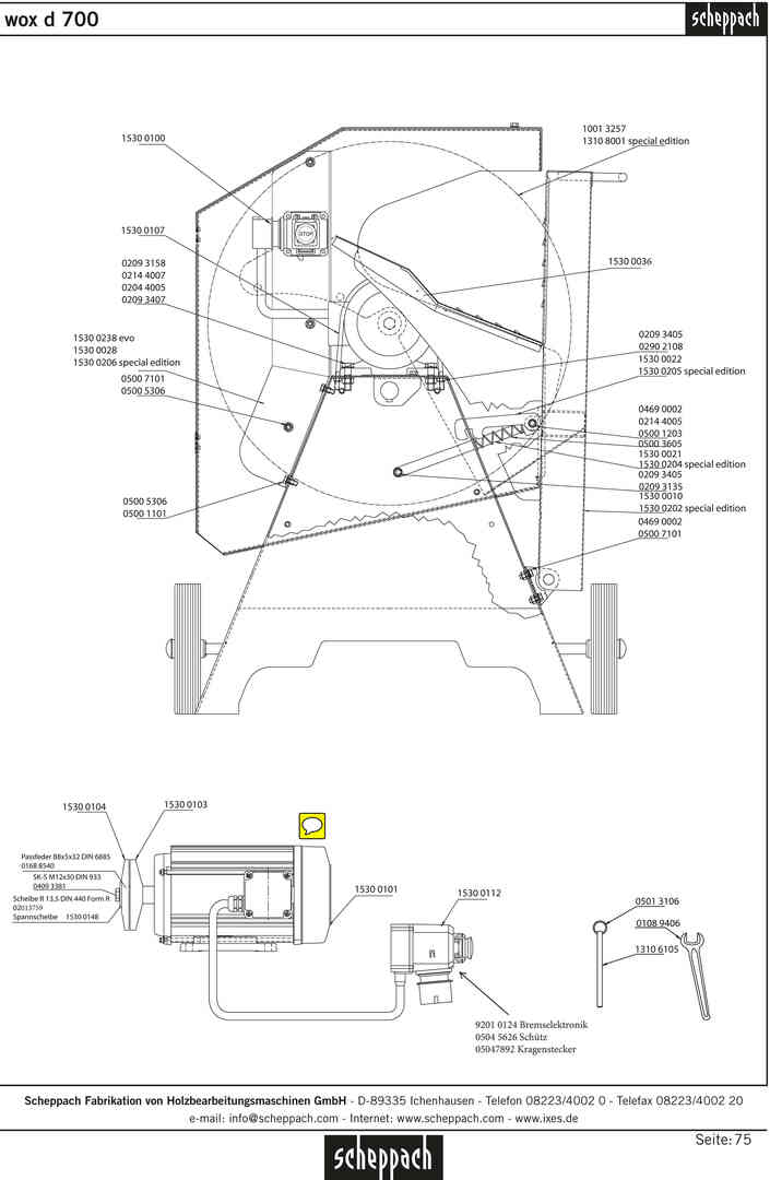
Zeichnung 02

Sollten Sie Fragen zu einem Ersatzteil für Scheppach Wippsäge PL 7010 - Modell Kity (Gerätenr. 3015109916) haben, können Sie uns gerne eine E-Mail (mit einem Foto vom Typenschild Ihres Gerätes) schreiben oder eine Ersatzteilanfrage stellen.

Folgende Ersatzteile für Scheppach Wippsäge PL 7010 - Modell Kity (Gerätenr. 3015109916) können Sie hier bestellen:
Artikel 1 - 40 von 61


Artikel 1 - 40 von 61