ab 03/2024

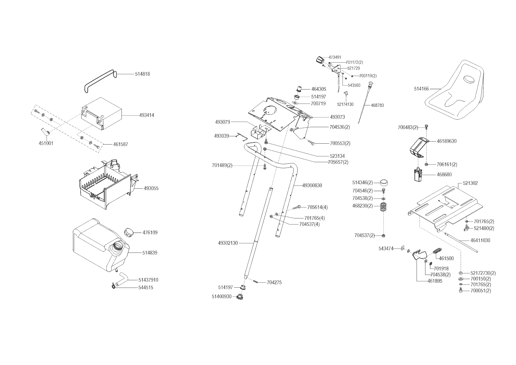
Zeichnung Solo by AL-KO Rasentraktor T22-111.7 HDS-A V2 COMFORT (127445) ab 03/2024:

Zeichnung 1
Zeichnung 2
Zeichnung 3
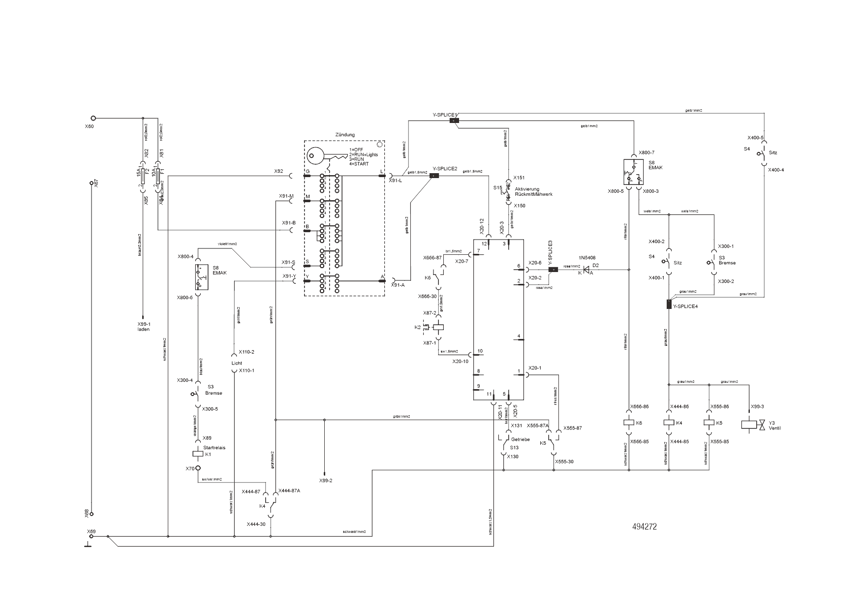
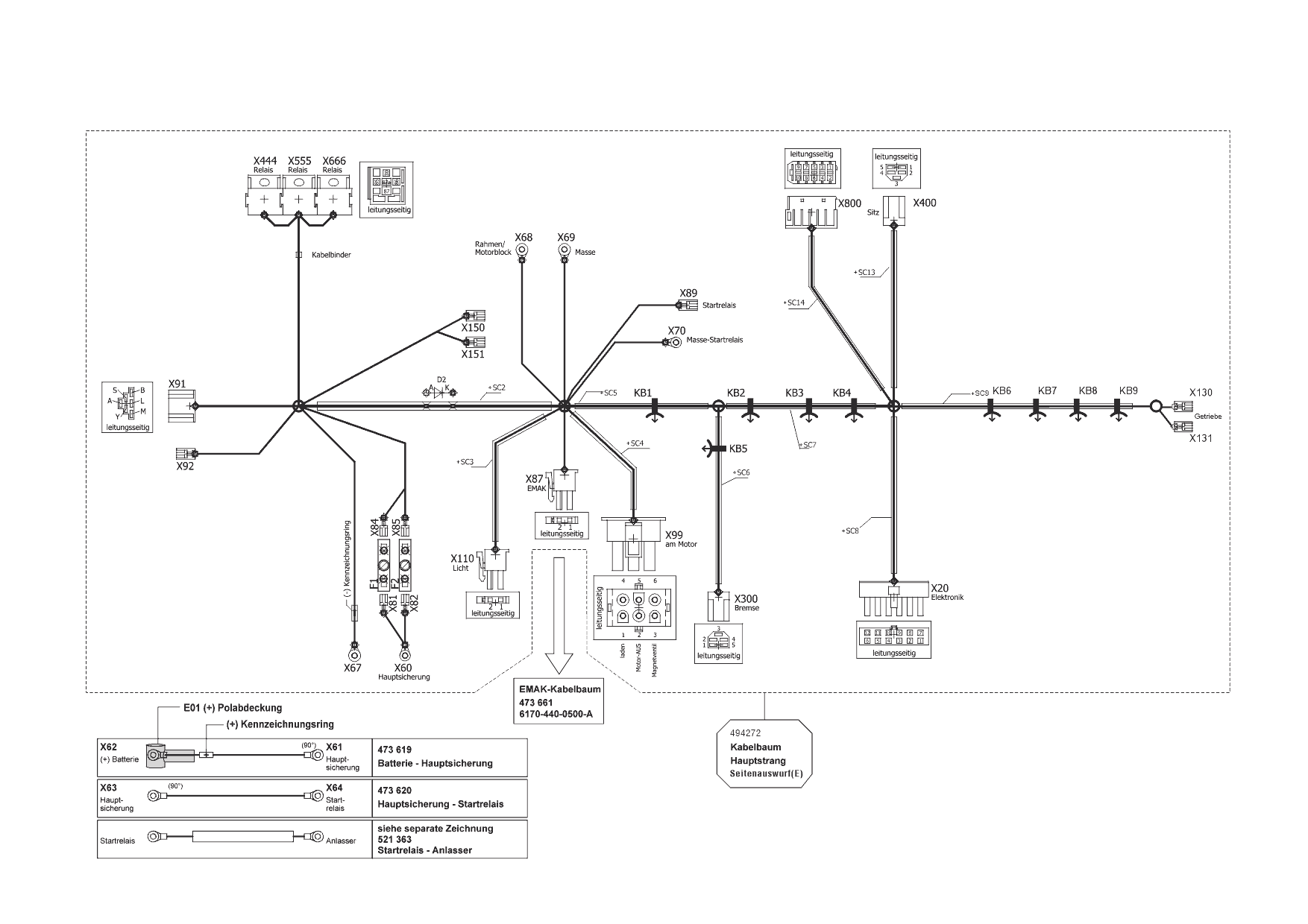
Zeichnung 4
Zeichnung 5
Zeichnung 5
Zeichnung 5
Zeichnung 5
Zeichnung 5
Zeichnung 5

Sollten Sie Fragen zu einem Ersatzteil haben, können Sie uns gerne eine Ersatzteilanfrage stellen.

Hier finden Sie alle Ersatzteile für Solo by AL-KO Rasentraktor T22-111.7 HDS-A V2 COMFORT (127445) ab 03/2024:
Artikel 1 - 80 von 344