ab 01/1997

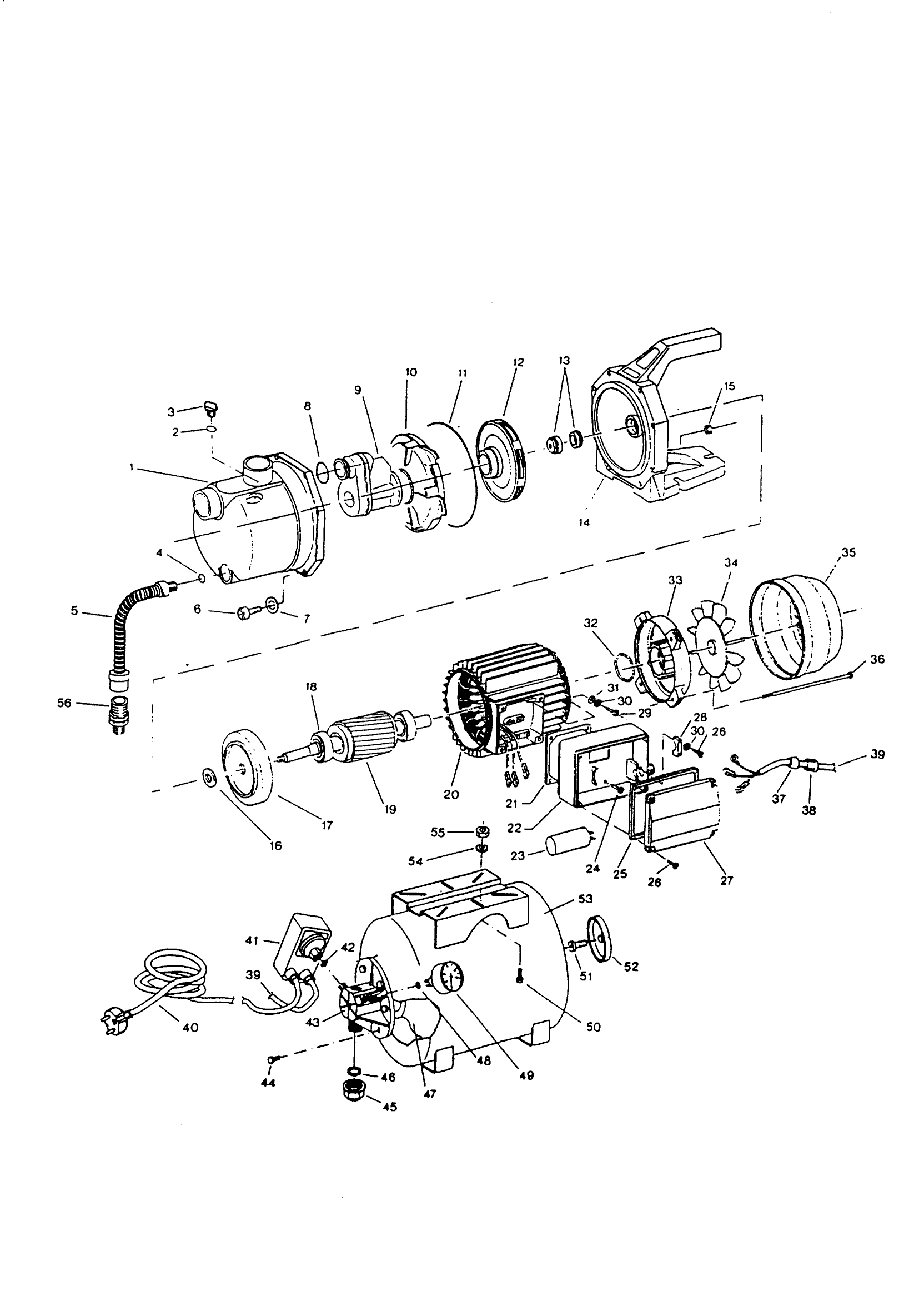
Zeichnungen von Top Garden Hauswasserwerke HW 1100 Inox ab 01/1997 mit der Geräte-Artikelnr. 110316:

Zeichnung 1
Zeichnung 2

Nicht alle Ersatzteile von Top Garden Hauswasserwerke HW 1100 Inox (110316) ab 01/1997 sind immer lieferbar/vorrätig.
Sollten Sie Fragen zu einem Ersatzteil haben, können Sie uns gerne Mail schreiben oder eine Ersatzteilanfrage stellen.
Ersatzteile von Hauswasserwerke HW 1100 Inox:
Artikel 1 - 20 von 46

4,93 € *
Lieferzeit: 2 - 10 Werktage
5,48 € *
Lieferzeit: 2 - 10 Werktage
5,48 € *
Lieferzeit: 2 - 10 Werktage
5,48 € *
Lieferzeit: 2 - 10 Werktage

Artikel 1 - 20 von 46