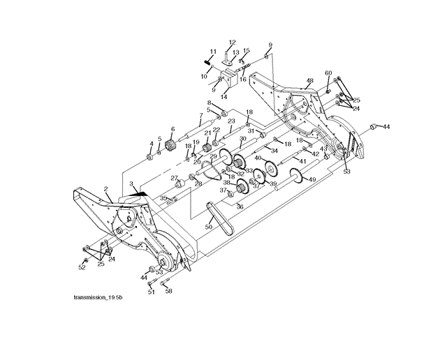
Zeichnung 4

Ersatzteile für McCulloch Bodenpflegegerät MCT55 Bj. ab Mär 2010 aus der Zeichnung 4
Gültig für Artikelnummer: 96091001102

Zeichnung 4

Sollten Sie Fragen zu einem Ersatzteil von McCulloch Bodenpflegegerät MCT55 Bj. ab Mär 2010 haben, können Sie uns gerne eine E-Mail (mit einem Foto vom Typenschild Ihres Gerätes) schreiben oder eine Ersatzteilanfrage stellen.

Folgende Ersatzteile für McCulloch Bodenpflegegerät MCT55 Bj. ab Mär 2010 aus der Zeichnung 4 können Sie hier bestellen:
Artikel 1 - 20 von 44


Artikel 1 - 20 von 44