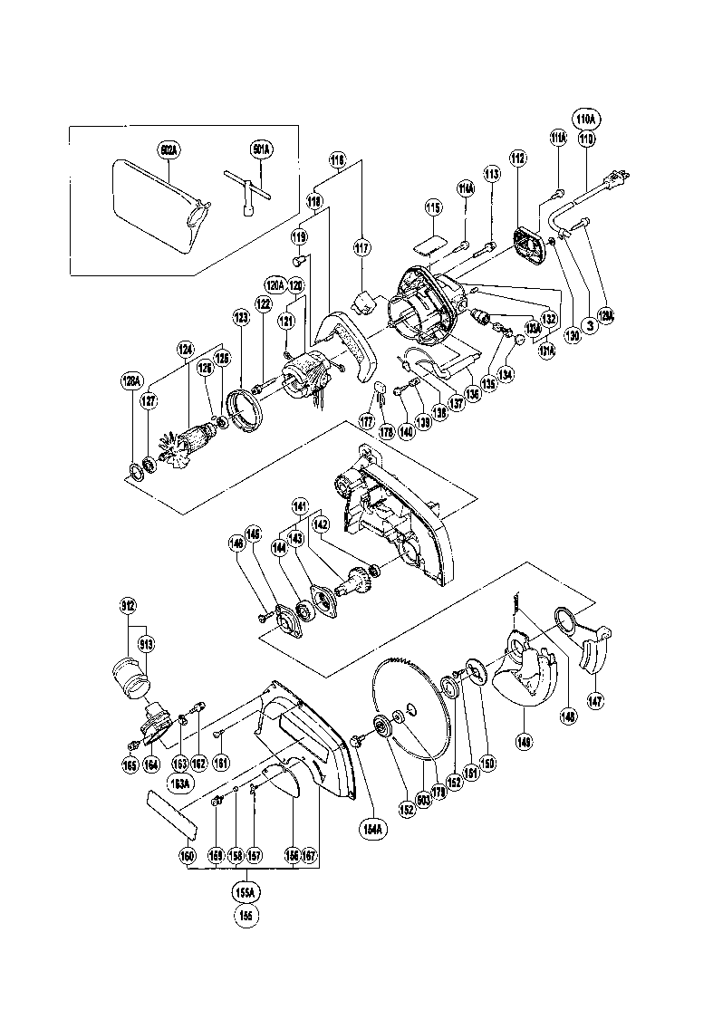
Zeichnung 2

Ersatzteile für Hikoki (Hitachi) C8FB2 - Kapp- und Gehrungssäge

Zeichnung

Sollten Sie Fragen zu einem Ersatzteil vom Hikoki (Hitachi) C8FB2 - Kapp- und Gehrungssäge haben, können Sie uns gerne eine E-Mail (mit einem Foto vom Typenschild Ihres Gerätes) schreiben oder eine Ersatzteilanfrage stellen.

Folgende Ersatzteile für Hikoki (Hitachi) C8FB2 - Kapp- und Gehrungssäge können Sie hier bestellen:
Artikel 1 - 40 von 44

4,12 € *
Lieferzeit: 2 - 10 Werktage

Artikel 1 - 40 von 44