Zeichnung 2

Ersatzteile für Milwaukee MXFLSDP-301 KIT L IN2 - DrainCleaning (4000474838 4933471851)

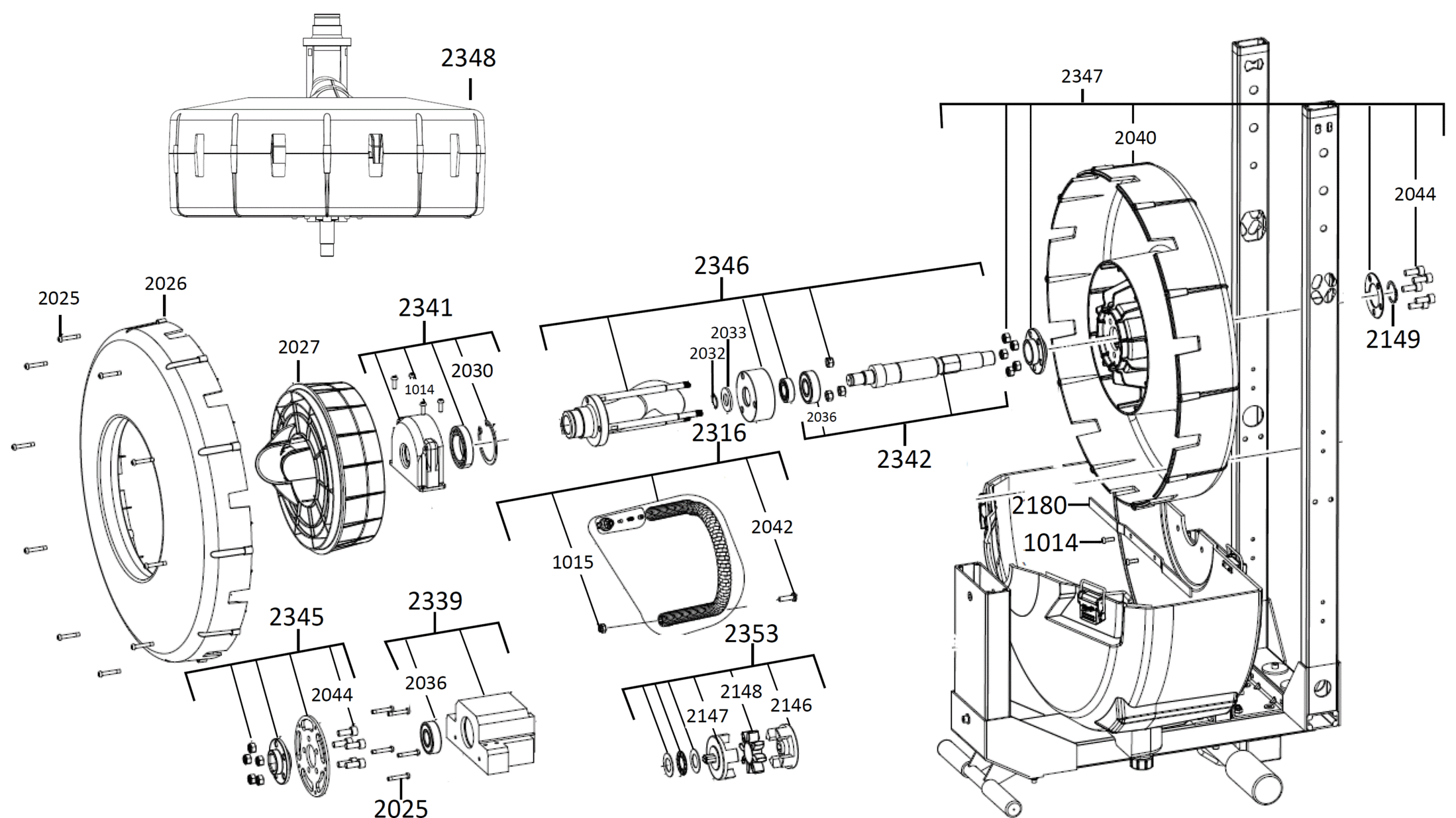
Zeichnung

Sollten Sie Fragen zu einem Ersatzteil vom Milwaukee MXFLSDP-301 KIT L IN2 - DrainCleaning (4000474838 4933471851) haben, können Sie uns gerne eine E-Mail (mit einem Foto vom Typenschild Ihres Gerätes) schreiben oder eine Ersatzteilanfrage stellen.

Folgende Ersatzteile für Milwaukee MXFLSDP-301 KIT L IN2 - DrainCleaning (4000474838 4933471851) können Sie hier bestellen:
Artikel 1 - 24 von 24


Artikel 1 - 24 von 24