Zeichnung 2

Ersatzteile für Mafell Zapfenfräse ZAF 200 Vario 991102

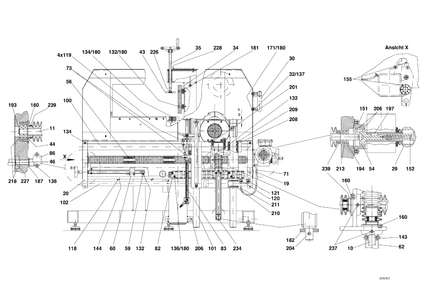
Zeichnung

Sollten Sie Fragen zu einem Ersatzteil vom Mafell Zapfenfräse ZAF 200 Vario 991102 haben, können Sie uns gerne eine E-Mail (mit einem Foto vom Typenschild Ihres Gerätes) schreiben oder eine Ersatzteilanfrage stellen.

Folgende Ersatzteile für Mafell Zapfenfräse ZAF 200 Vario 991102 können Sie hier bestellen:
Artikel 1 - 20 von 59

154,80 € *
Lieferzeit: 2 - 10 Werktage
29,60 € *
Lieferzeit: 2 - 10 Werktage
25,80 € *
Lieferzeit: 2 - 10 Werktage
87,00 € *
Lieferzeit: 2 - 10 Werktage
49,00 € *
Lieferzeit: 2 - 10 Werktage
43,20 € *
Lieferzeit: 2 - 10 Werktage
4,12 € *
Lieferzeit: 2 - 10 Werktage
141,40 € *
Lieferzeit: 2 - 10 Werktage

Artikel 1 - 20 von 59