Zeichnung 2

Ersatzteile für DeWalt D25951K-LX TYPE 1 MEISSELHAMMER D25951K-LX D25951K

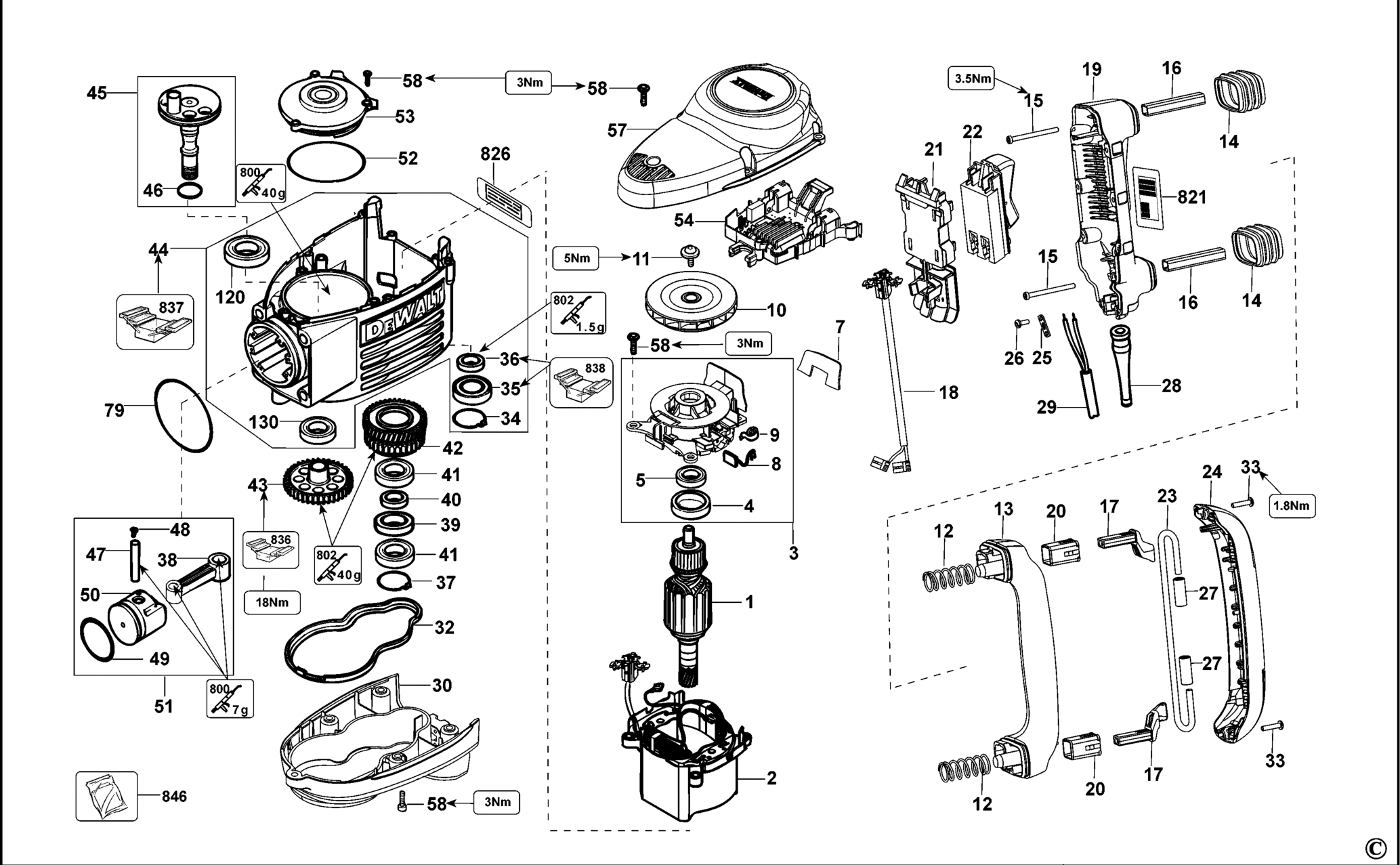
Zeichnung

Sollten Sie Fragen zu einem Ersatzteil vom DeWalt D25951K-LX TYPE 1 MEISSELHAMMER D25951K-LX D25951K haben, können Sie uns gerne eine E-Mail (mit einem Foto vom Typenschild Ihres Gerätes) schreiben oder eine Ersatzteilanfrage stellen.

Folgende Ersatzteile für DeWalt D25951K-LX TYPE 1 MEISSELHAMMER D25951K-LX D25951K können Sie hier bestellen:
Artikel 1 - 20 von 68