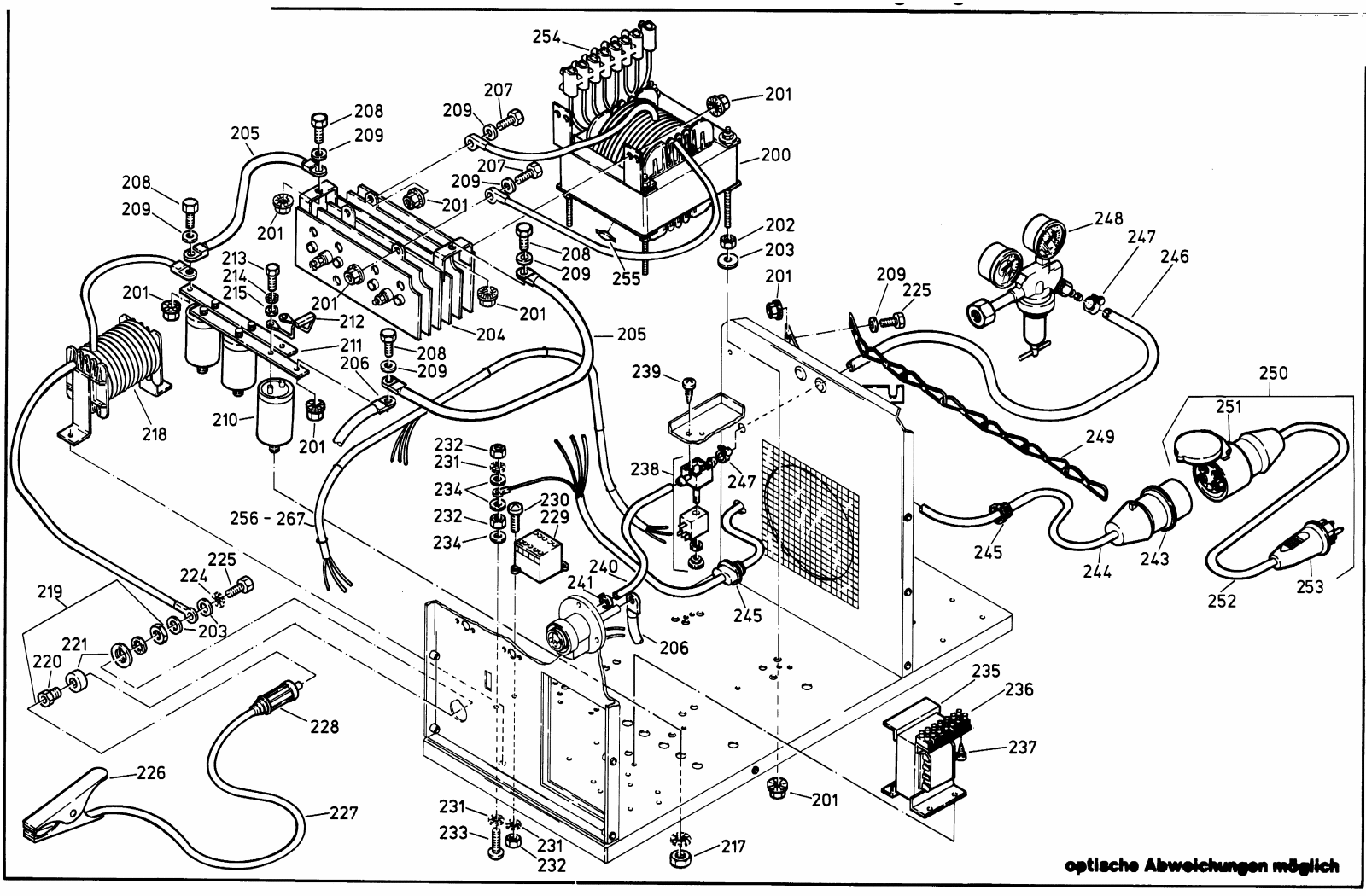
Zeichnung 2

Ersatzteile für Metabo 18035 ETC - SCHWEIßGERÄT MIGMAG aus Zeichnung 2:

Zeichnung 2

Sollten Sie Fragen zu einem Ersatzteil von Metabo 18035 ETC - SCHWEIßGERÄT MIGMAG 62 62103182810 haben, können Sie uns gerne eine E-Mail (mit einem Foto vom Typenschild Ihres Gerätes) schreiben oder eine Ersatzteilanfrage stellen.

Folgende Ersatzteile für Metabo 18035 ETC - SCHWEIßGERÄT MIGMAG können Sie hier bestellen:
Artikel 1 - 14 von 14


Artikel 1 - 14 von 14