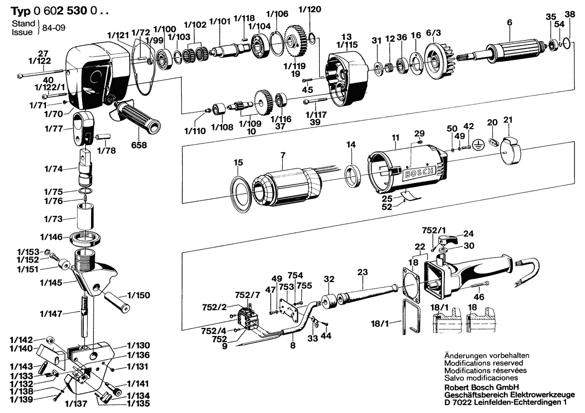
Zeichnung 1

Ersatzteile für Bosch Hf-Schweisskantenformer Hf-Schweisskantenformer (0 602 530 011)

Zeichnung

Sollten Sie Fragen zu einem Ersatzteil vom Bosch Hf-Schweisskantenformer Hf-Schweisskantenformer (0 602 530 011) haben, können Sie uns gerne eine E-Mail (mit einem Foto vom Typenschild Ihres Gerätes) schreiben oder eine Ersatzteilanfrage stellen.

Folgende Ersatzteile für Bosch Hf-Schweisskantenformer Hf-Schweisskantenformer (0 602 530 011) können Sie hier bestellen:
Artikel 1 - 34 von 34


Artikel 1 - 34 von 34