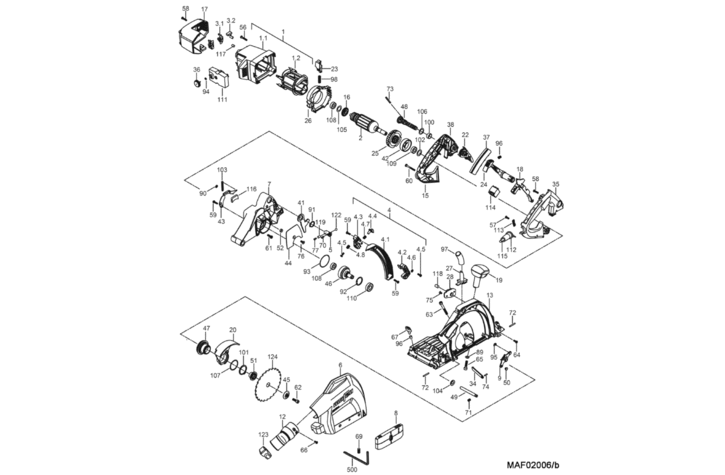
Zeichnung 1

Ersatzteile für Mafell Multifräse MF 26 cc AF bis Masch.Nr. 1115057 9178011115057

Zeichnung

Sollten Sie Fragen zu einem Ersatzteil vom Mafell Multifräse MF 26 cc AF bis Masch.Nr. 1115057 9178011115057 haben, können Sie uns gerne eine E-Mail (mit einem Foto vom Typenschild Ihres Gerätes) schreiben oder eine Ersatzteilanfrage stellen.

Folgende Ersatzteile für Mafell Multifräse MF 26 cc AF bis Masch.Nr. 1115057 9178011115057 können Sie hier bestellen:
Artikel 1 - 60 von 103


Artikel 1 - 60 von 103