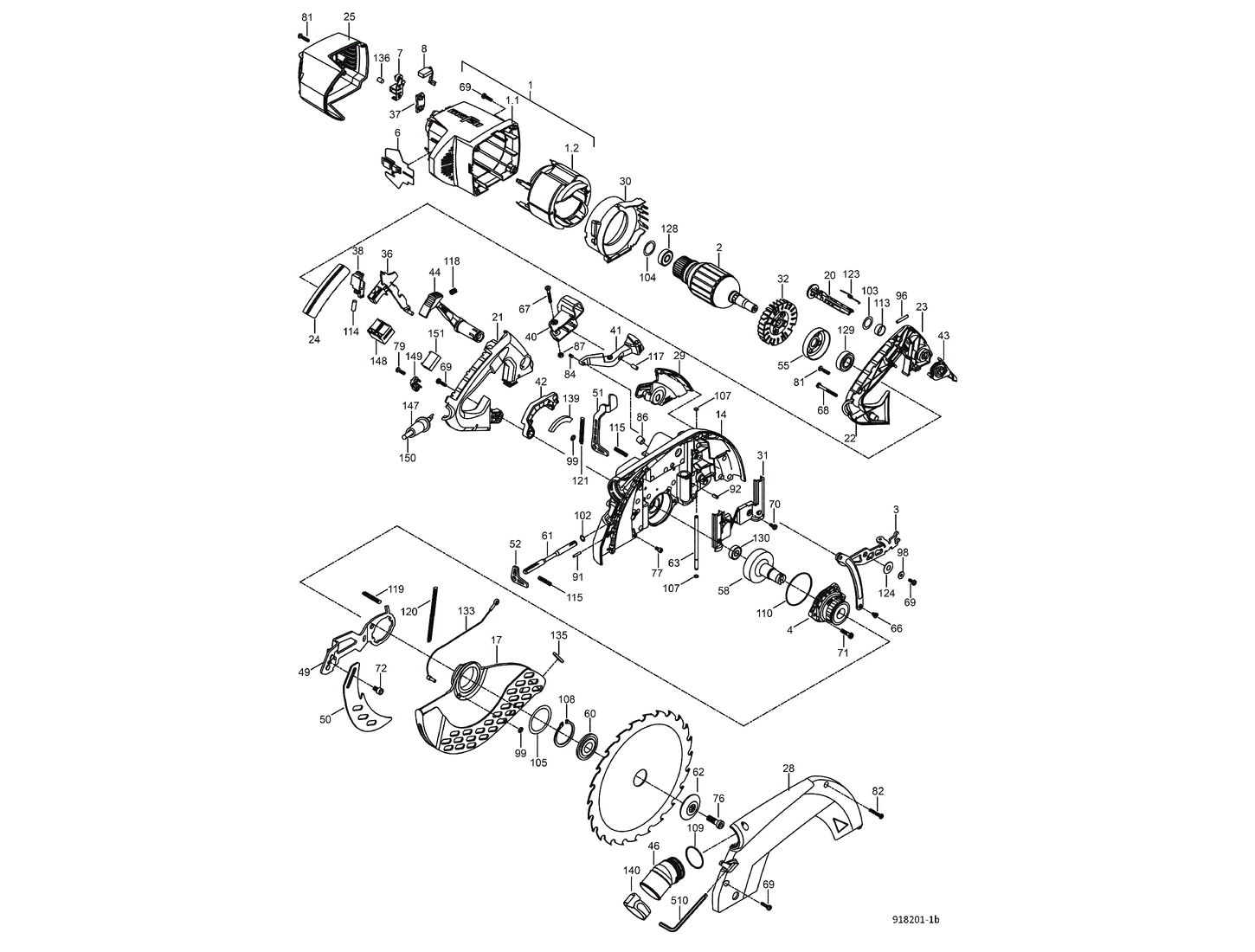
Zeichnung 1

Ersatzteile für Mafell Handkreissäge K 85 Ec im L-Max - K 85 918201

Zeichnung

Sollten Sie Fragen zu einem Ersatzteil vom Mafell Handkreissäge K 85 Ec im L-Max - K 85 918201 haben, können Sie uns gerne eine E-Mail (mit einem Foto vom Typenschild Ihres Gerätes) schreiben oder eine Ersatzteilanfrage stellen.

Folgende Ersatzteile für Mafell Handkreissäge K 85 Ec im L-Max - K 85 918201 können Sie hier bestellen:
Artikel 1 - 20 von 93

17,04 € *
Lieferzeit: 2 - 10 Werktage