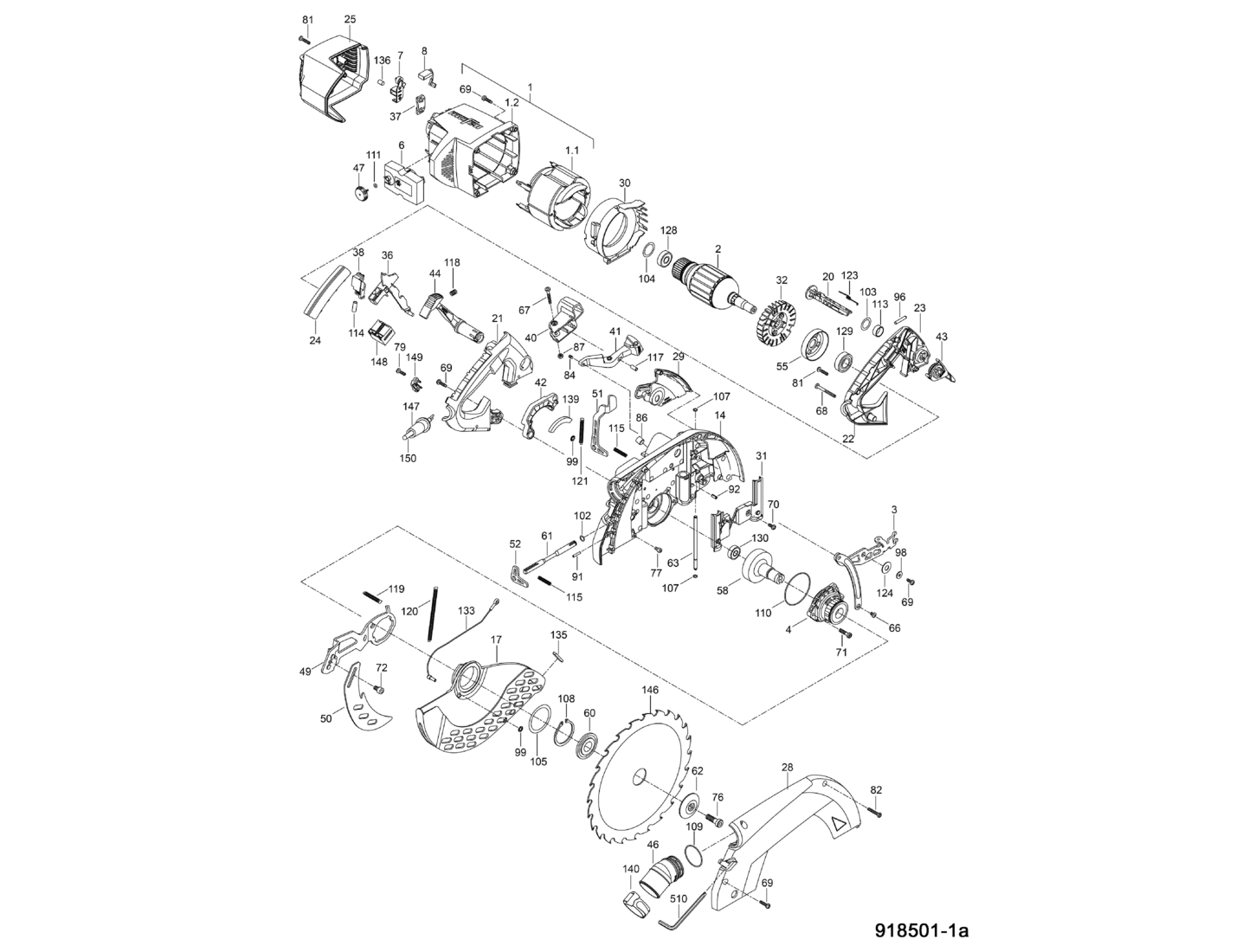
Zeichnung 1

Ersatzteile für Mafell Kapp-Sägesystem KSS 80 Ec 370 - KSS 80 Ec 370 918501

Zeichnung

Sollten Sie Fragen zu einem Ersatzteil vom Mafell Kapp-Sägesystem KSS 80 Ec 370 - KSS 80 Ec 370 918501 haben, können Sie uns gerne eine E-Mail (mit einem Foto vom Typenschild Ihres Gerätes) schreiben oder eine Ersatzteilanfrage stellen.

Folgende Ersatzteile für Mafell Kapp-Sägesystem KSS 80 Ec 370 - KSS 80 Ec 370 918501 können Sie hier bestellen:
Artikel 1 - 20 von 95