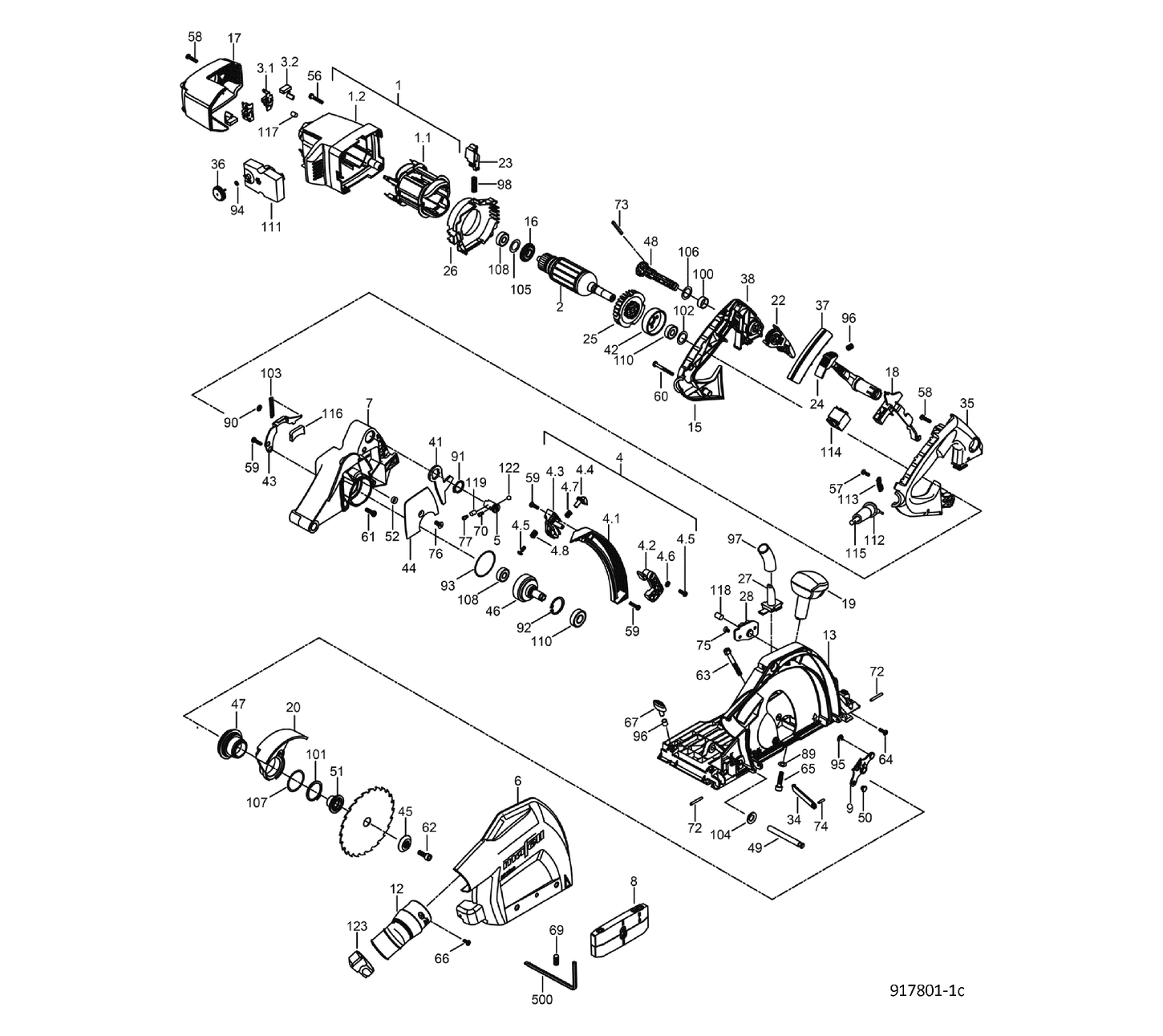
Zeichnung 1

Ersatzteile für Mafell Multifräse MF 26 cc GF-MAX im MAFELL-MAX 917802

Zeichnung

Sollten Sie Fragen zu einem Ersatzteil vom Mafell Multifräse MF 26 cc GF-MAX im MAFELL-MAX 917802 haben, können Sie uns gerne eine E-Mail (mit einem Foto vom Typenschild Ihres Gerätes) schreiben oder eine Ersatzteilanfrage stellen.

Folgende Ersatzteile für Mafell Multifräse MF 26 cc GF-MAX im MAFELL-MAX 917802 können Sie hier bestellen:
Artikel 1 - 20 von 101