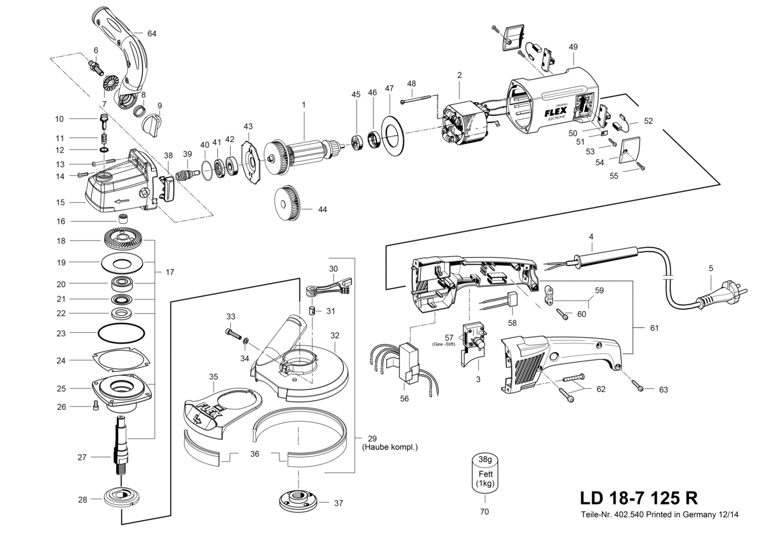
Zeichnung 1

Ersatzteile für Flex LD 18-7 125 R, Kit E-Jet - Sanierungsschleifer 408638

Zeichnung

Sollten Sie Fragen zu einem Ersatzteil vom Flex LD 18-7 125 R, Kit E-Jet - Sanierungsschleifer 408638 haben, können Sie uns gerne eine E-Mail (mit einem Foto vom Typenschild Ihres Gerätes) schreiben oder eine Ersatzteilanfrage stellen.

Folgende Ersatzteile für Flex LD 18-7 125 R, Kit E-Jet - Sanierungsschleifer 408638 können Sie hier bestellen:
Artikel 1 - 40 von 56


Artikel 1 - 40 von 56