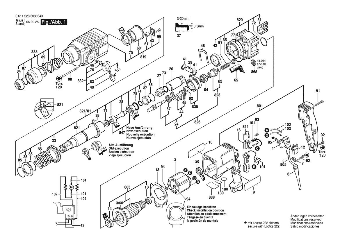
Zeichnung 1

Ersatzteile für Bosch Bohrhammer GBH 2-24 DSE | 230 V | 003 - EEU (0 611 228 608) Zeichnung 1

Zeichnung

Sollten Sie Fragen zu einem Ersatzteil vom Bosch Bohrhammer GBH 2-24 DSE | 230 V | 003 - EEU (0 611 228 608) haben, können Sie uns gerne eine E-Mail (mit einem Foto vom Typenschild Ihres Gerätes) schreiben oder eine Ersatzteilanfrage stellen.

Folgende Ersatzteile für Bosch Bohrhammer GBH 2-24 DSE | 230 V | 003 - EEU (0 611 228 608) können Sie hier bestellen:
Artikel 1 - 40 von 69


Artikel 1 - 40 von 69