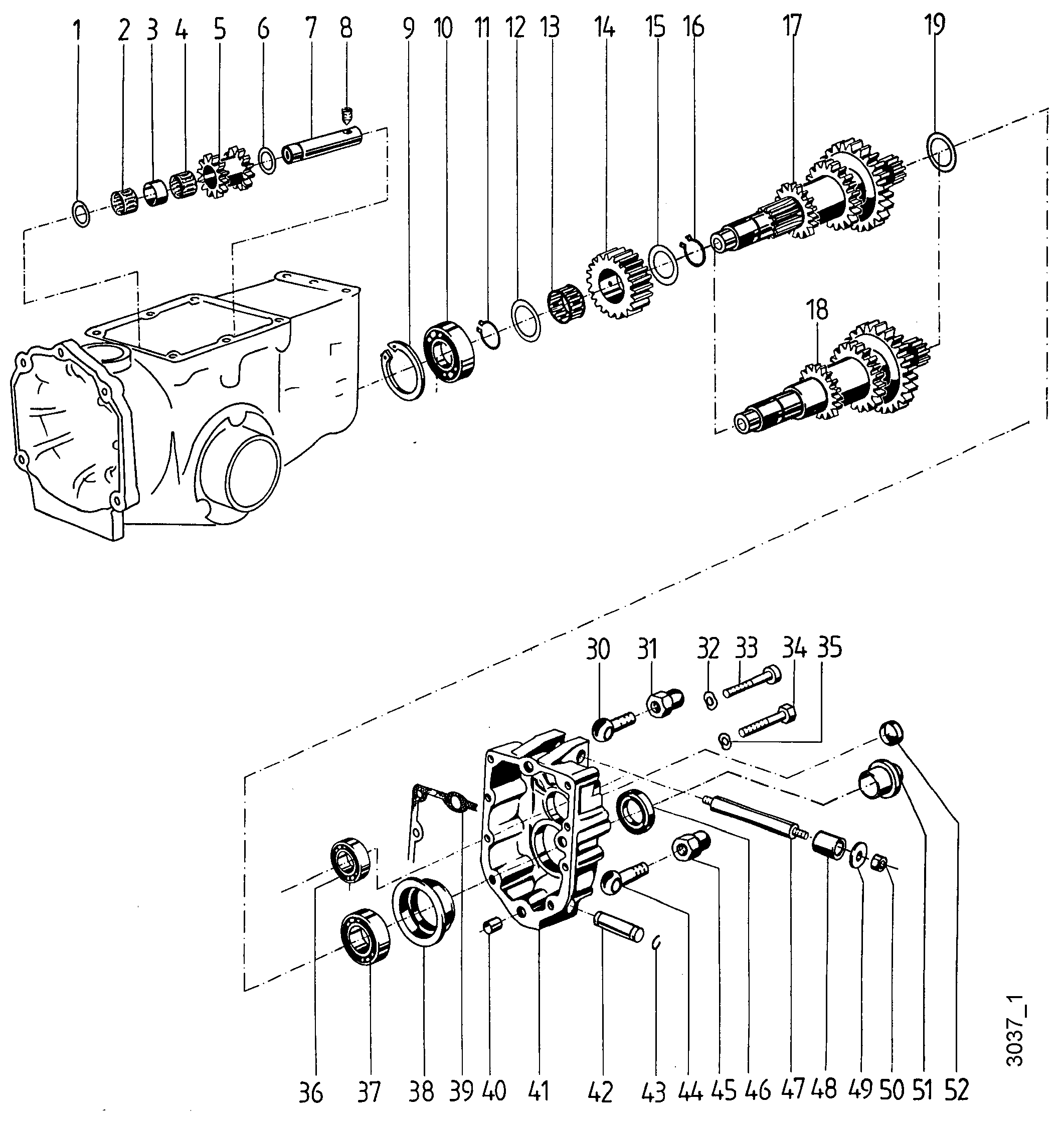
Zahnradwelle, Heckstück

Ersatzteile für Agria # Einachser # agria 3400 # Art-Nr 3400792 | agria 3400 D | Lombardini 6 LD 400 6,2kW, Handstart, Differenzial # Schaltgetriebe # Zahnradwelle, Heckstück

Zeichnung

Sollten Sie Fragen zu einem Ersatzteil für Agria Einachser haben, können Sie uns gerne eine E-Mail (mit einem Foto vom Typenschild Ihres Gerätes) schreiben oder eine Ersatzteilanfrage stellen.

Folgende Ersatzteile für Agria # Einachser # agria 3400 # Art-Nr 3400792 | agria 3400 D | Lombardini 6 LD 400 6,2kW, Handstart, Differenzial # Schaltgetriebe # Zahnradwelle, Heckstück können Sie hier bestellen:
Artikel 1 - 50 von 50


Artikel 1 - 50 von 50