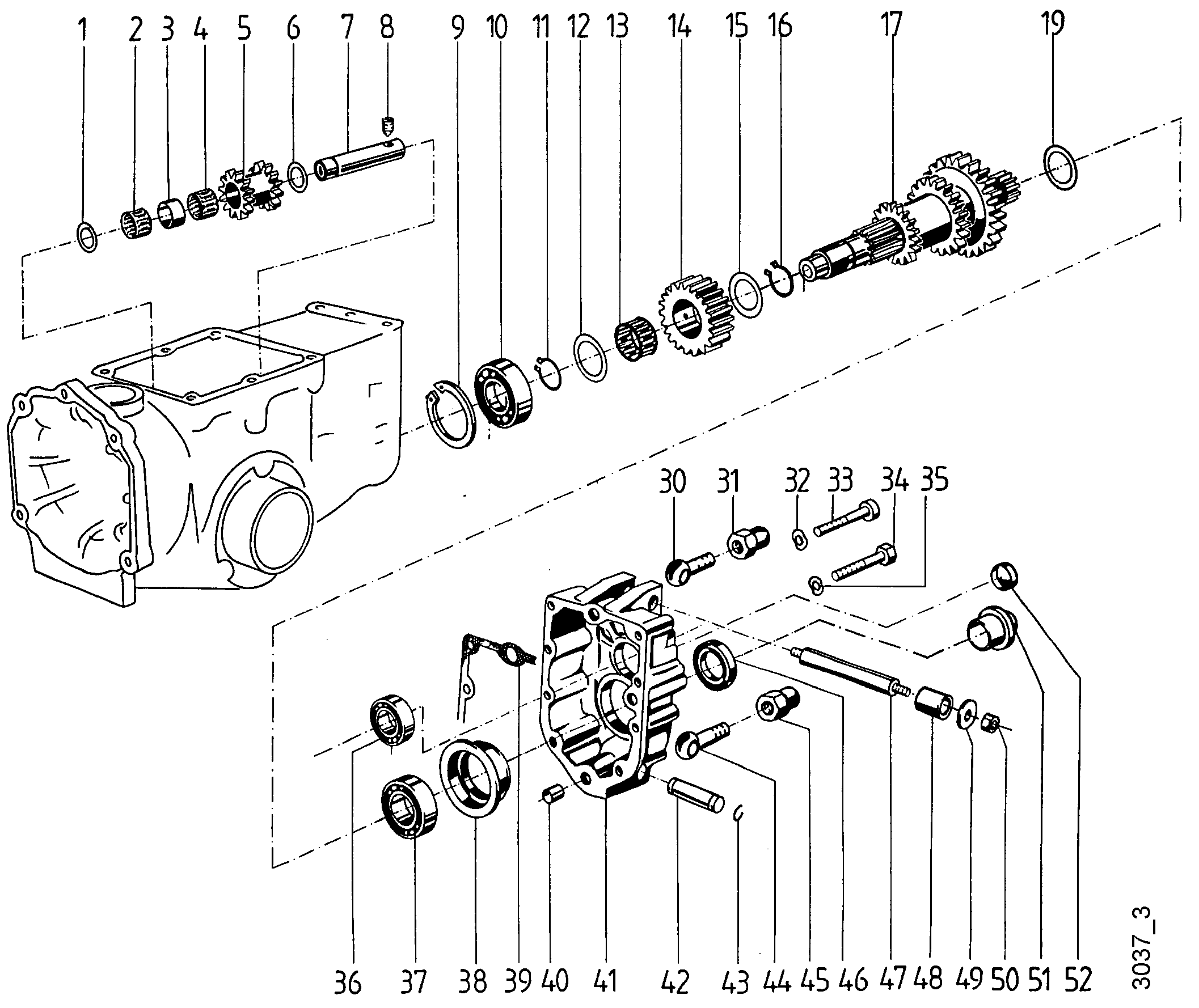
Zahnradwelle, Heckstück, 3-Gang

Ersatzteile für Agria # Geräteträger # agria 5500 # Art-Nr 5500611 | agria 5500 OBALK RADS D 5,5KW # Schaltgetriebe # Zahnradwelle, Heckstück, 3-Gang

Zeichnung

Sollten Sie Fragen zu einem Ersatzteil für Agria Geräteträger haben, können Sie uns gerne eine E-Mail (mit einem Foto vom Typenschild Ihres Gerätes) schreiben oder eine Ersatzteilanfrage stellen.

Folgende Ersatzteile für Agria # Geräteträger # agria 5500 # Art-Nr 5500611 | agria 5500 OBALK RADS D 5,5KW # Schaltgetriebe # Zahnradwelle, Heckstück, 3-Gang können Sie hier bestellen:
Artikel 1 - 58 von 58


Artikel 1 - 58 von 58