Winkelschleifer GWS 17-125 CIT (3 601 G97 0R0)

Zeichnungen von Bosch Winkelschleifer GWS 17-125 CIT mit der Geräte-Artikelnummer 3 601 G97 0R0

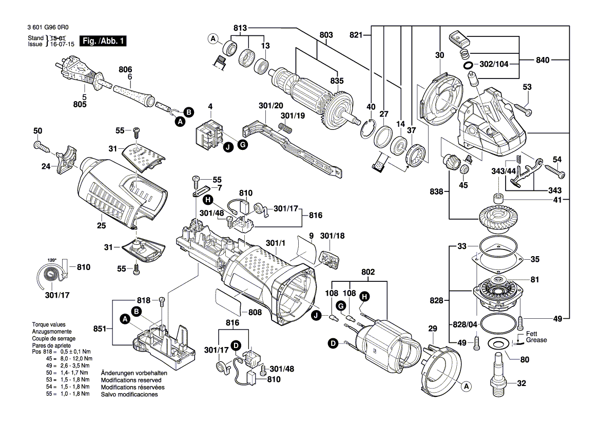
Zeichnung 1
Zeichnung 2


Beachten Sie bitte, dass Ihre Geräte Nr. 3 601 G97 0R0 lauten muss. Nur so kann sichergestellt werden, dass das Ersatzteil passt.
Sollten Sie Fragen zu einem Ersatzteil haben, können Sie uns gerne eine Mail (mit Bild vom Geräte-Typenschild) schreiben oder eine Ersatzteilanfrage stellen.
Ersatzteile von Bosch Winkelschleifer GWS 17-125 CIT (3 601 G97 0R0):
Artikel 1 - 40 von 56


Artikel 1 - 40 von 56