Winkelschleifer GWS 14-150C (0 601 806 574)

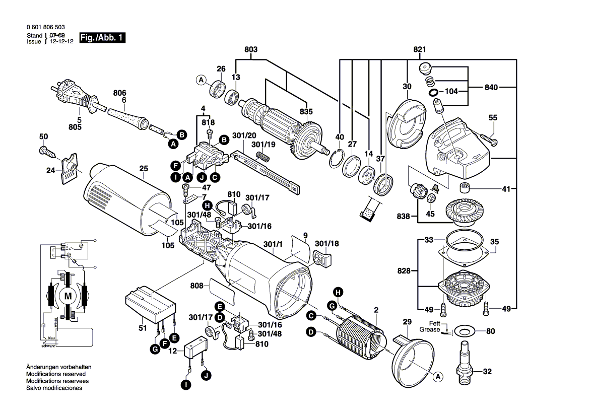
Zeichnungen von Bosch Winkelschleifer GWS 14-150C mit der Geräte-Artikelnummer 0 601 806 574

Zeichnung 1
Zeichnung 2


Beachten Sie bitte, dass Ihre Geräte Nr. 0 601 806 574 lauten muss. Nur so kann sichergestellt werden, dass das Ersatzteil passt.
Sollten Sie Fragen zu einem Ersatzteil haben, können Sie uns gerne eine Mail (mit Bild vom Geräte-Typenschild) schreiben oder eine Ersatzteilanfrage stellen.
Ersatzteile von Bosch Winkelschleifer GWS 14-150C (0 601 806 574):
Artikel 1 - 20 von 52

18,00 € *
Lieferzeit: 2 - 10 Werktage

Artikel 1 - 20 von 52