Winkelschleifer GWS 14-125C (0 601 804 773)

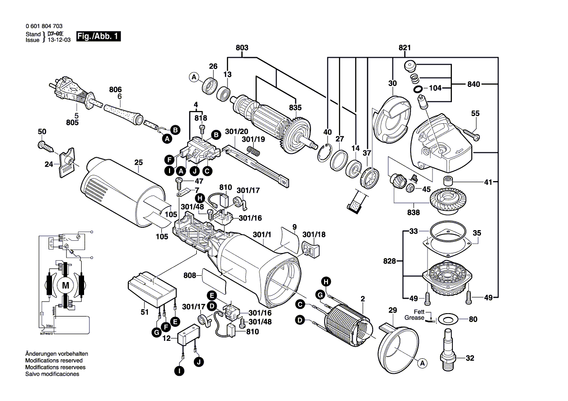
Zeichnungen von Bosch Winkelschleifer GWS 14-125C mit der Geräte-Artikelnummer 0 601 804 773

Zeichnung 1
Zeichnung 2


Beachten Sie bitte, dass Ihre Geräte Nr. 0 601 804 773 lauten muss. Nur so kann sichergestellt werden, dass das Ersatzteil passt.
Sollten Sie Fragen zu einem Ersatzteil haben, können Sie uns gerne eine Mail (mit Bild vom Geräte-Typenschild) schreiben oder eine Ersatzteilanfrage stellen.
Ersatzteile von Bosch Winkelschleifer GWS 14-125C (0 601 804 773):
Artikel 1 - 20 von 53

18,00 € *
Lieferzeit: 2 - 10 Werktage

Artikel 1 - 20 von 53