Winkelschleifer GWS 14-125 CE (0 601 385 903)

Zeichnungen von Bosch Winkelschleifer GWS 14-125 CE mit der Geräte-Artikelnummer 0 601 385 903

Zeichnung 1
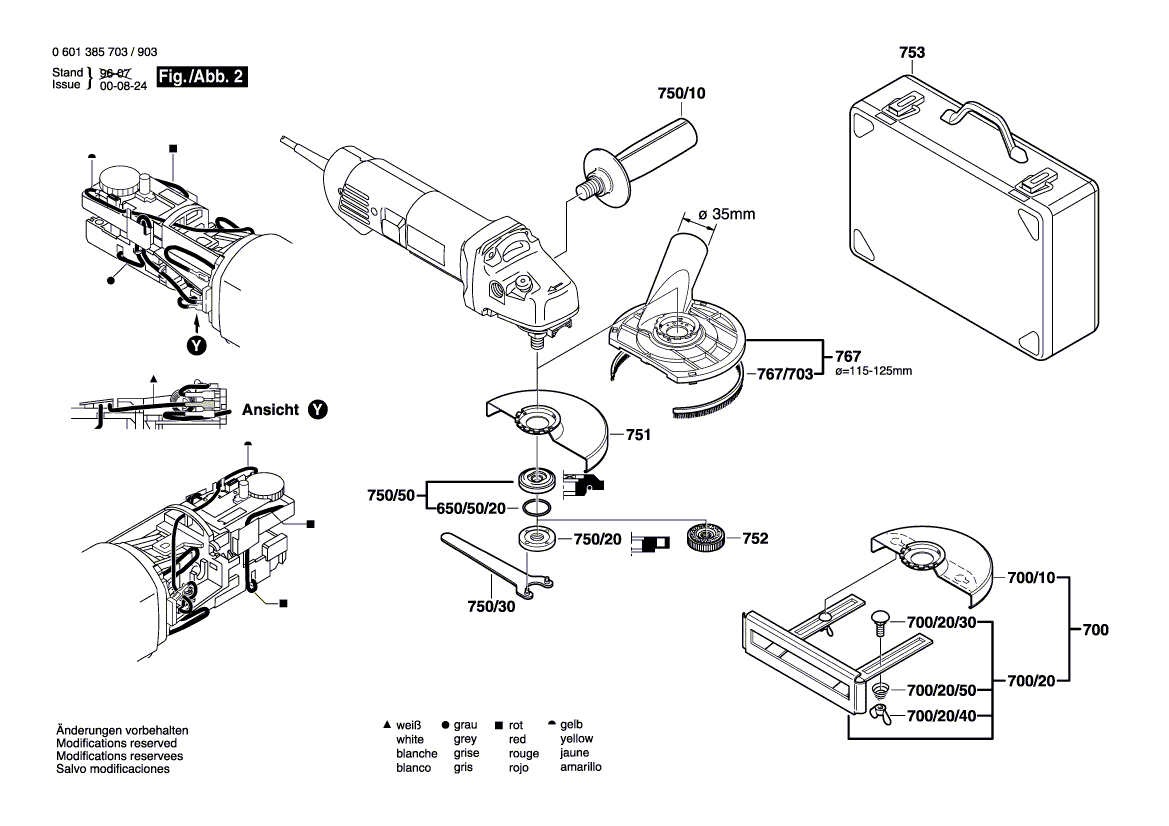
Zeichnung 2


Beachten Sie bitte, dass Ihre Geräte Nr. 0 601 385 903 lauten muss. Nur so kann sichergestellt werden, dass das Ersatzteil passt.
Sollten Sie Fragen zu einem Ersatzteil haben, können Sie uns gerne eine Mail (mit Bild vom Geräte-Typenschild) schreiben oder eine Ersatzteilanfrage stellen.
Ersatzteile von Bosch Winkelschleifer GWS 14-125 CE (0 601 385 903):
Artikel 1 - 35 von 35


Artikel 1 - 35 von 35