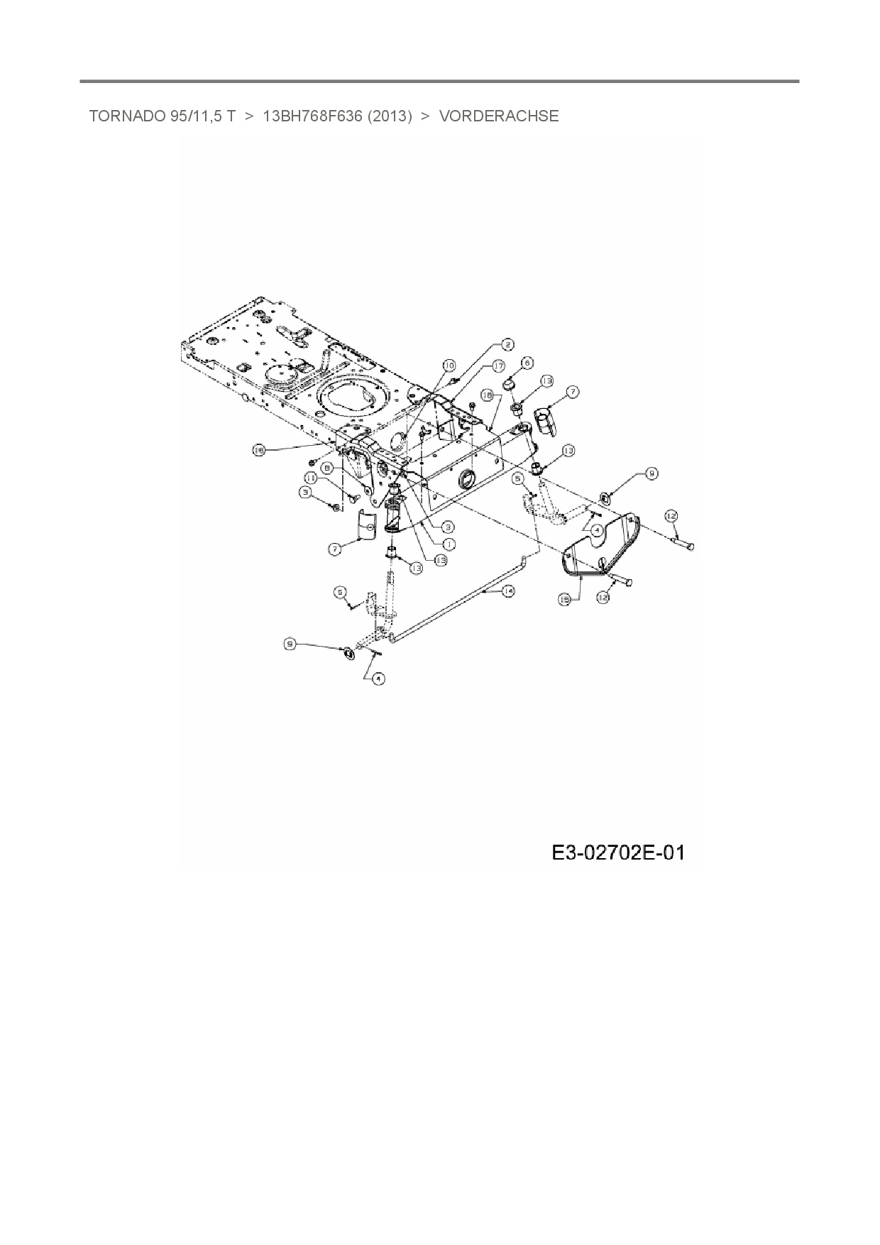
Vorderachse

Zeichnung für Oleo-Mac Rasentraktor Tornado 95/11,5 T mit der Geräte-Artikelnr. 13BH768F636 ab Baujahr 2013:

Zeichnung Vorderachse

Die Ersatzteil-Zeichnung für Rasentraktor Oleo-Mac Tornado 95/11,5 T als Download:
Download Ersatzteil-Zeichnung Oleo-Mac Tornado 95/11,5 T Zeichnung Vorderachse (PDF-Format)
Download Ersatzteil-Zeichnung Oleo-Mac Tornado 95/11,5 T Zeichnung Vorderachse (JPG-Format)

Sollten Sie Fragen zu einem Ersatzteil haben, können Sie uns gerne eine E-Mail (mit einem Foto vom Typenschild Ihres Gerätes) schreiben oder eine Ersatzteilanfrage stellen.

Ersatzteile für Rasentraktor Oleo-Mac Tornado 95/11,5 T aus der Zeichnung Vorderachse:
Artikel 1 - 12 von 12

4,88 € *
Lieferzeit: 2 - 10 Werktage
5,88 € *
Lieferzeit: 2 - 10 Werktage
6,88 € *
Lieferzeit: 2 - 10 Werktage
28,45 € *
Lieferzeit: 2 - 10 Werktage

Artikel 1 - 12 von 12