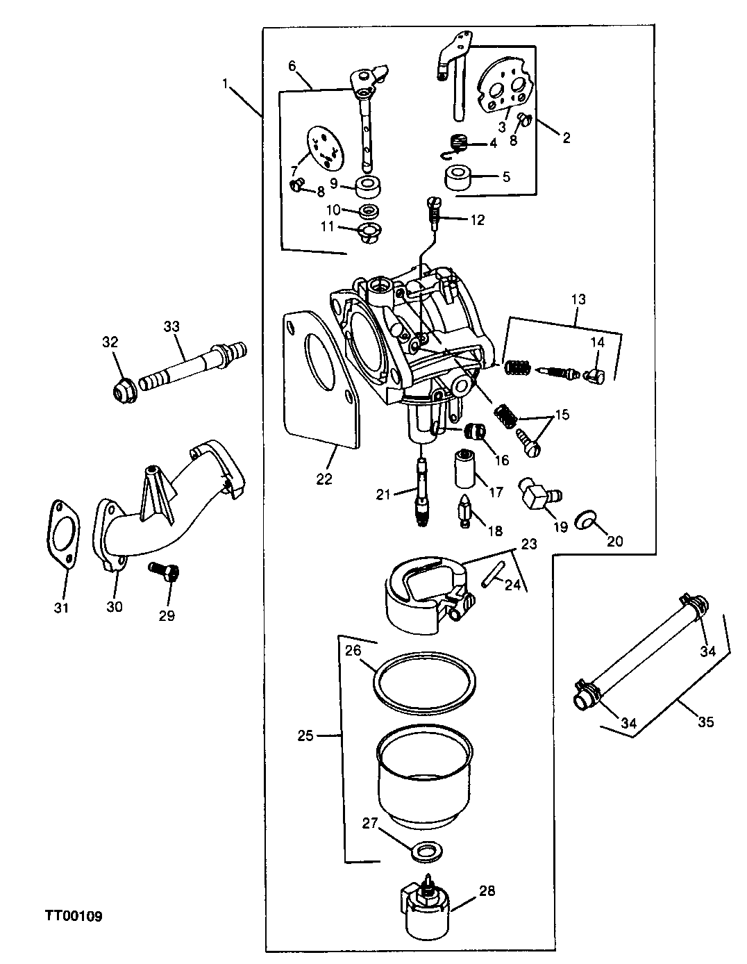
Vergaser - ST643893

Ersatzteile für Sabo Rasentraktoren Heckauswurf SABRE 15.538GS, 15.538HS and EUROPRO 1538HS - PC2676

Zeichnung

Sollten Sie Fragen zu einem Ersatzteil vom Sabo Rasentraktoren Heckauswurf SABRE 15.538GS, 15.538HS and EUROPRO 1538HS - PC2676 haben, können Sie uns gerne eine E-Mail (mit einem Foto vom Typenschild Ihres Gerätes) schreiben oder eine Ersatzteilanfrage stellen.

Folgende Ersatzteile für Sabo Rasentraktoren Heckauswurf SABRE 15.538GS, 15.538HS and EUROPRO 1538HS - PC2676 können Sie hier bestellen:
Artikel 1 - 20 von 37


Artikel 1 - 20 von 37