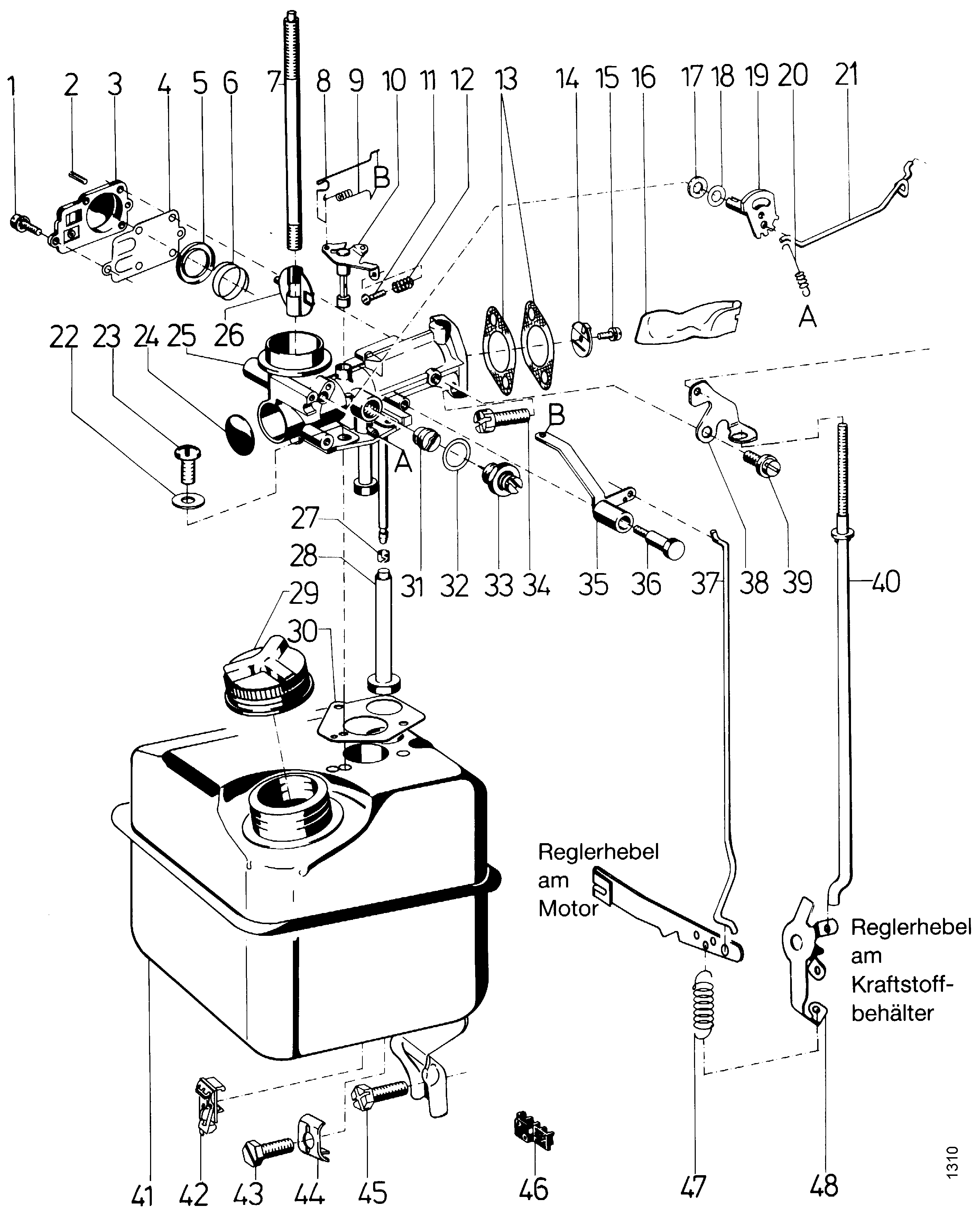
Vergaser, Kraftstoffbehälter | B&S 112202-0651

Ersatzteile für Agria # Motorhacken # agria 0100 # Art-Nr 0100531 | agria 0100-R 45CM 4T3,2KW # Motor Einzelteile # Vergaser, Kraftstoffbehälter | B&S 112202-0651

Zeichnung

Sollten Sie Fragen zu einem Ersatzteil für Agria Motorhacken haben, können Sie uns gerne eine E-Mail (mit einem Foto vom Typenschild Ihres Gerätes) schreiben oder eine Ersatzteilanfrage stellen.

Folgende Ersatzteile für Agria # Motorhacken # agria 0100 # Art-Nr 0100531 | agria 0100-R 45CM 4T3,2KW # Motor Einzelteile # Vergaser, Kraftstoffbehälter | B&S 112202-0651 können Sie hier bestellen:
Artikel 1 - 20 von 32


Artikel 1 - 20 von 32