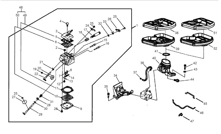
Vergaser HDA-229, Luftfilter

Zeichnung von shindaiwa Motorsägen 490 Vergaser HDA-229, Luftfilter:

Klicken Sie auf diese Zeichnung

Sollten Sie Fragen zu einem Ersatzteil haben, können Sie uns gerne eine Ersatzteilanfrage stellen.

Hier finden Sie alle Ersatzteile von shindaiwa Motorsägen 490:
Artikel 1 - 20 von 46


Artikel 1 - 20 von 46