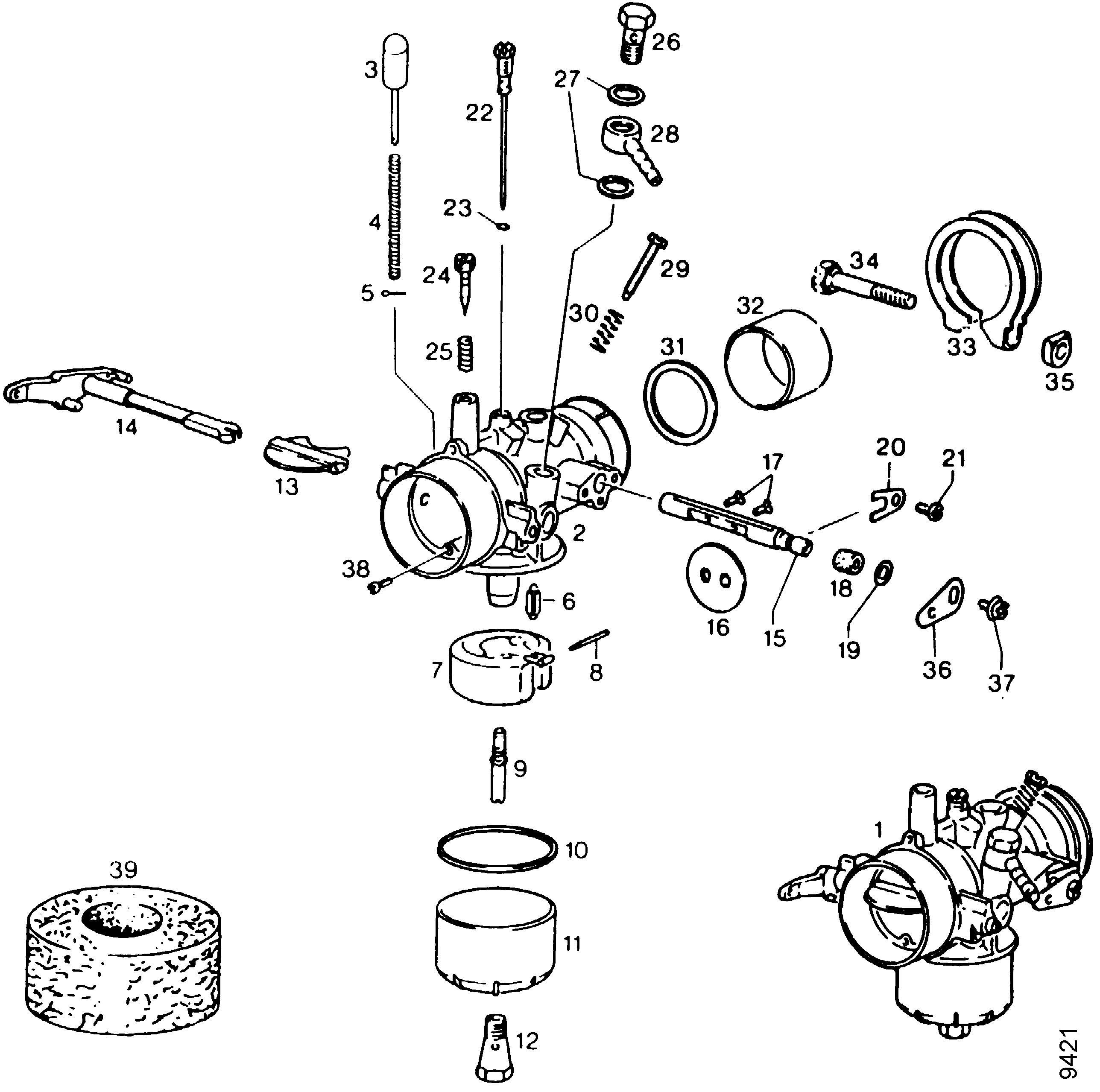
Vergaser, Drosselklappen 8/22 S 106 A | Rotax 232

Ersatzteile für Agria # Geräteträger # agria 5500 # Art-Nr 5500331 | agria 5500 KL # Motor Einzelteile # Vergaser, Drosselklappen 8/22 S 106 A | Rotax 232

Zeichnung

Sollten Sie Fragen zu einem Ersatzteil für Agria Geräteträger haben, können Sie uns gerne eine E-Mail (mit einem Foto vom Typenschild Ihres Gerätes) schreiben oder eine Ersatzteilanfrage stellen.

Folgende Ersatzteile für Agria # Geräteträger # agria 5500 # Art-Nr 5500331 | agria 5500 KL # Motor Einzelteile # Vergaser, Drosselklappen 8/22 S 106 A | Rotax 232 können Sie hier bestellen:
Artikel 1 - 20 von 34


Artikel 1 - 20 von 34