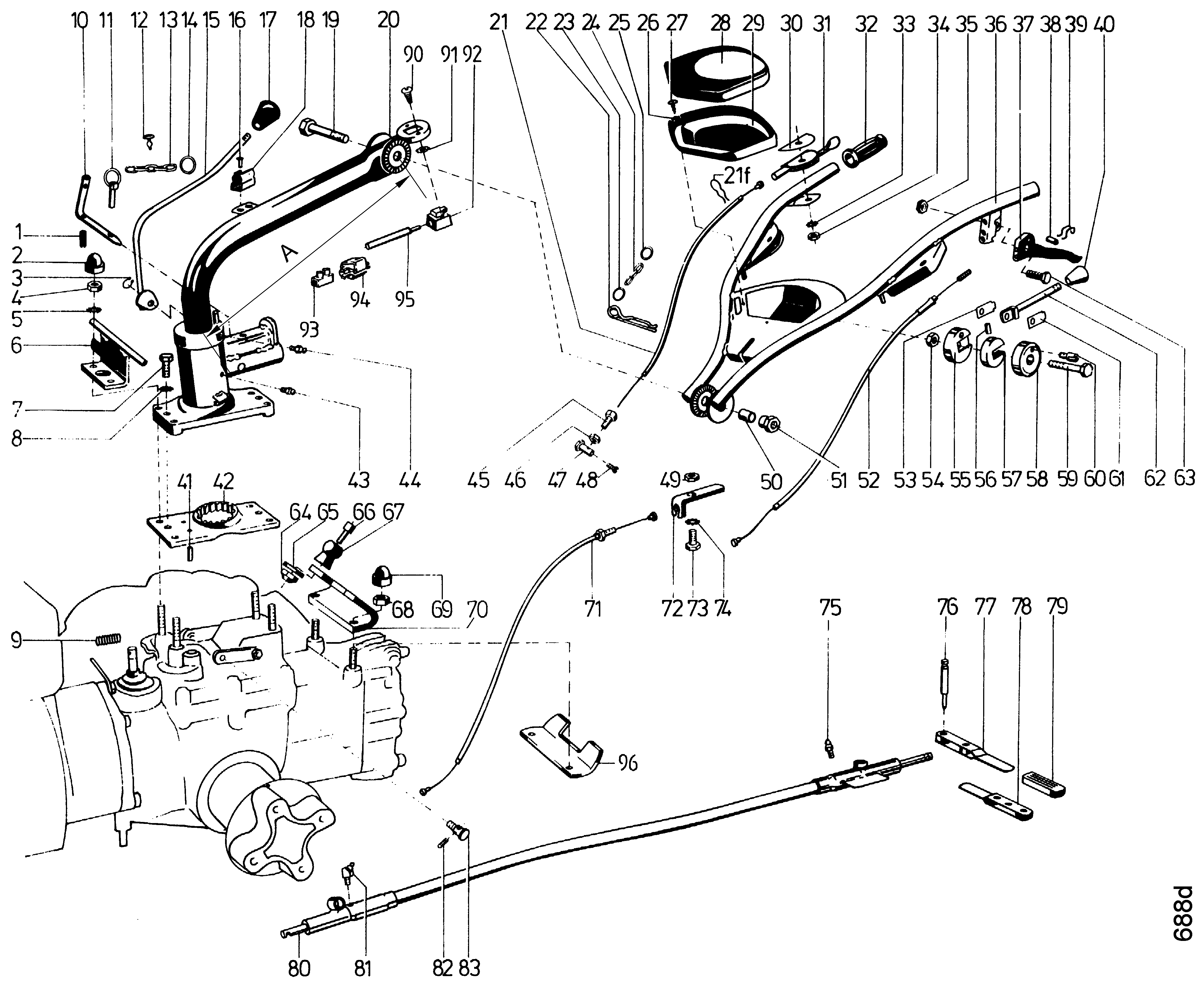
Unterholm, Lenker, Bowdenzüge

Ersatzteile für Agria # Einachser # agria 3400 # Art-Nr 3400361 | agria 3400 D | Farymann 5kW, Radschaltung # Lenkholm # Unterholm, Lenker, Bowdenzüge

Zeichnung

Sollten Sie Fragen zu einem Ersatzteil für Agria Einachser haben, können Sie uns gerne eine E-Mail (mit einem Foto vom Typenschild Ihres Gerätes) schreiben oder eine Ersatzteilanfrage stellen.

Folgende Ersatzteile für Agria # Einachser # agria 3400 # Art-Nr 3400361 | agria 3400 D | Farymann 5kW, Radschaltung # Lenkholm # Unterholm, Lenker, Bowdenzüge können Sie hier bestellen:
Artikel 1 - 20 von 89