Unterholm | >05.2018...<06.2021

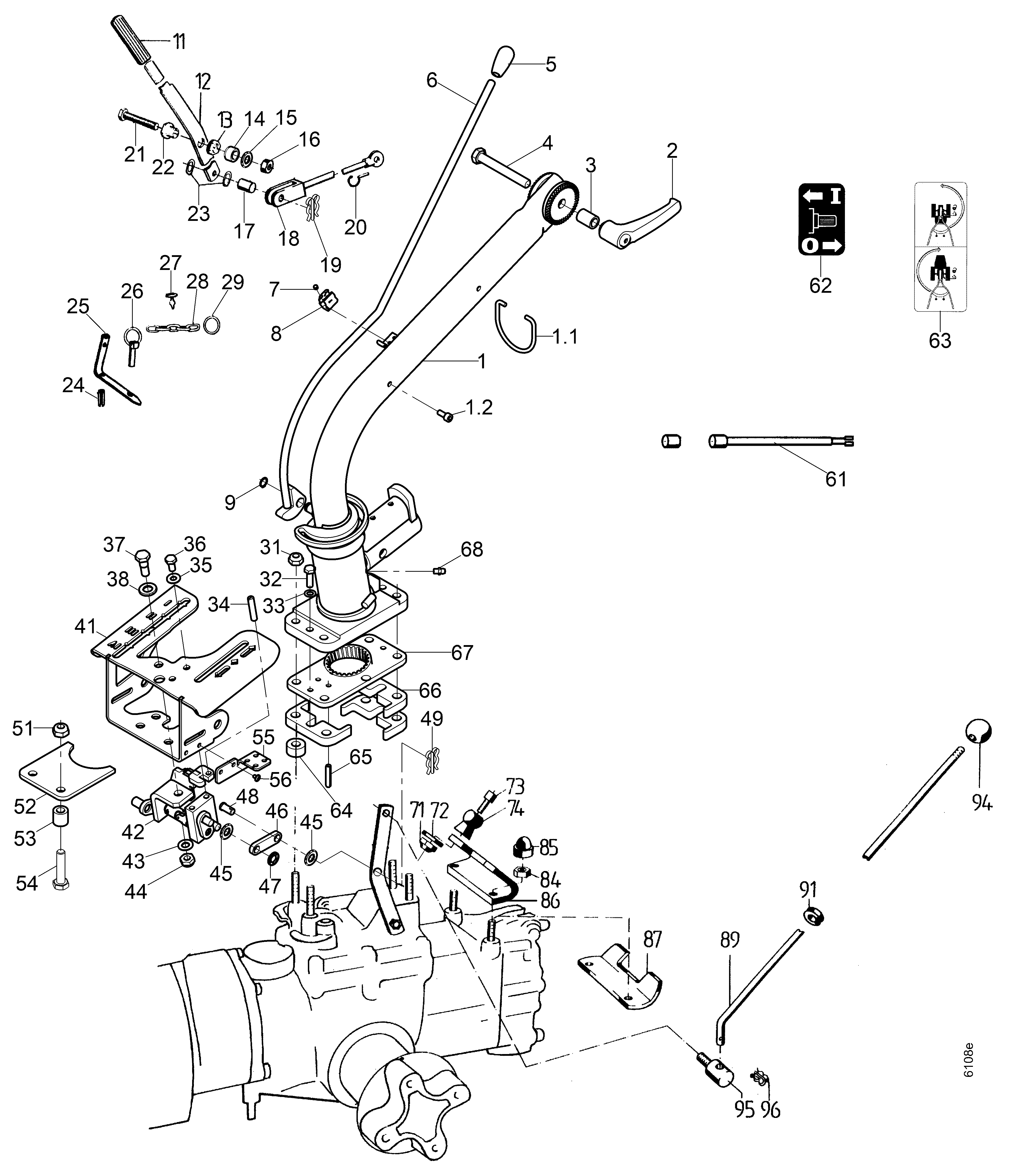
Ersatzteile für Agria # Einachser # agria 3400 # Art-Nr 3400432 | agria 3400 KL D E-Start | Yanmar L 100 7,4kW, E-Start, Differenzial, Zweischeibenkupplung # Lenkholm # Unterholm | >05.2018...<06.2021

Zeichnung

Sollten Sie Fragen zu einem Ersatzteil für Agria Einachser haben, können Sie uns gerne eine E-Mail (mit einem Foto vom Typenschild Ihres Gerätes) schreiben oder eine Ersatzteilanfrage stellen.

Folgende Ersatzteile für Agria # Einachser # agria 3400 # Art-Nr 3400432 | agria 3400 KL D E-Start | Yanmar L 100 7,4kW, E-Start, Differenzial, Zweischeibenkupplung # Lenkholm # Unterholm | >05.2018...<06.2021 können Sie hier bestellen:
Artikel 1 - 75 von 75


Artikel 1 - 75 von 75