Unterholm | >05.2018...<06.2021

Ersatzteile für Agria # Einachser # agria 3400 # Art-Nr 3400837 | agria 3400 | Kohler CH395, 7,1 kW, Handstart, KL-Ausführung # Lenkholm # Unterholm | >05.2018...<06.2021

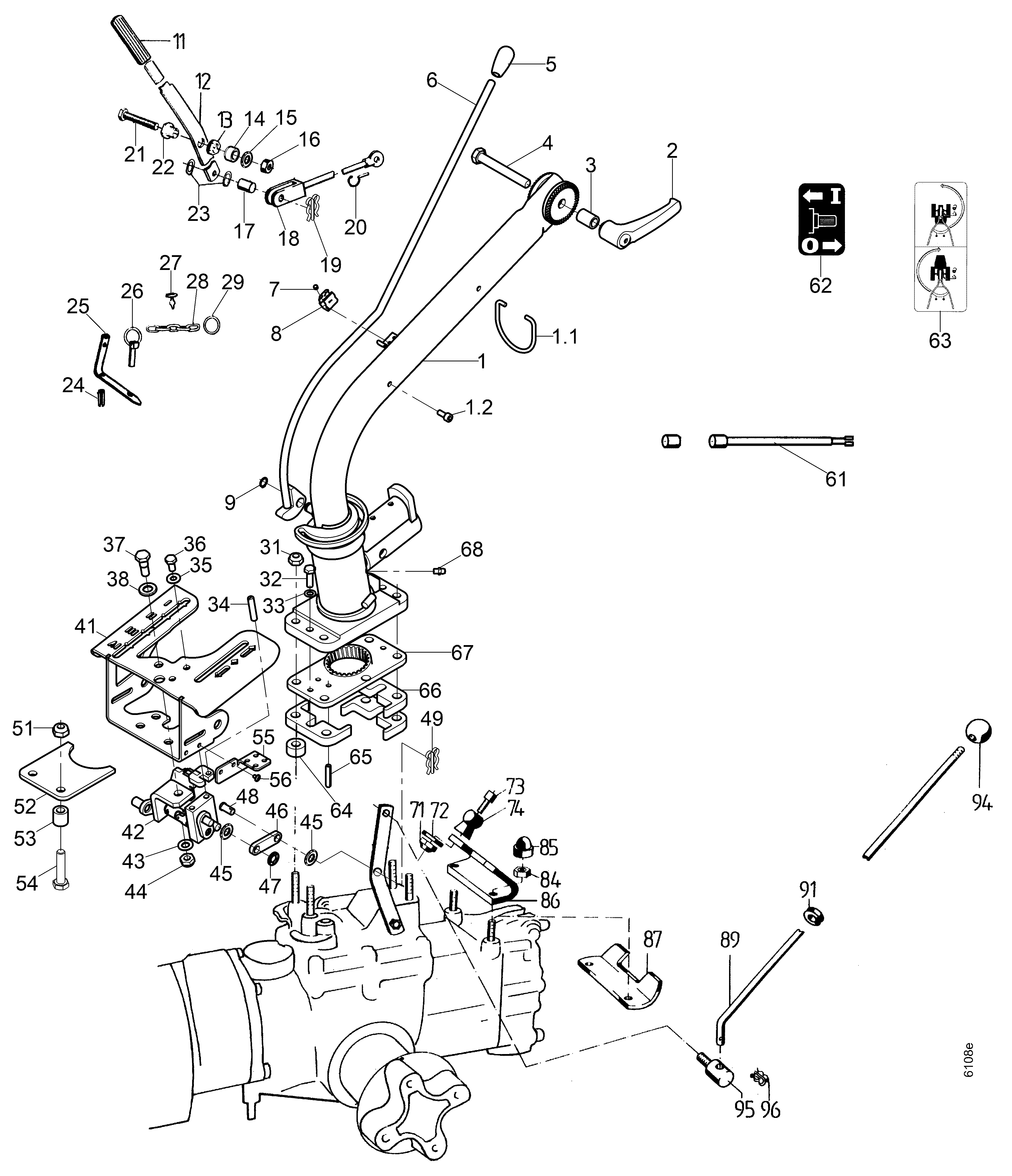
Zeichnung

Sollten Sie Fragen zu einem Ersatzteil für Agria Einachser haben, können Sie uns gerne eine E-Mail (mit einem Foto vom Typenschild Ihres Gerätes) schreiben oder eine Ersatzteilanfrage stellen.

Folgende Ersatzteile für Agria # Einachser # agria 3400 # Art-Nr 3400837 | agria 3400 | Kohler CH395, 7,1 kW, Handstart, KL-Ausführung # Lenkholm # Unterholm | >05.2018...<06.2021 können Sie hier bestellen:
Artikel 1 - 20 von 75