Triebwerk für Egalisierrechen | 3477 511, 3477 531, 3401 911 < 2001 !

Ersatzteile für Agria # Anbaugeräte für Bodenbearbeitung # Egge, Kreiselegge, Egalisierrechen 3477 # Art-Nr 3477511 | Egalisierrechen Doppel L 130cm | Egalisierrechen 3477 511/521 # Antrieb div. # Triebwerk für Egalisierrechen | 3477 511, 3477 531, 3401 911 < 2001 !

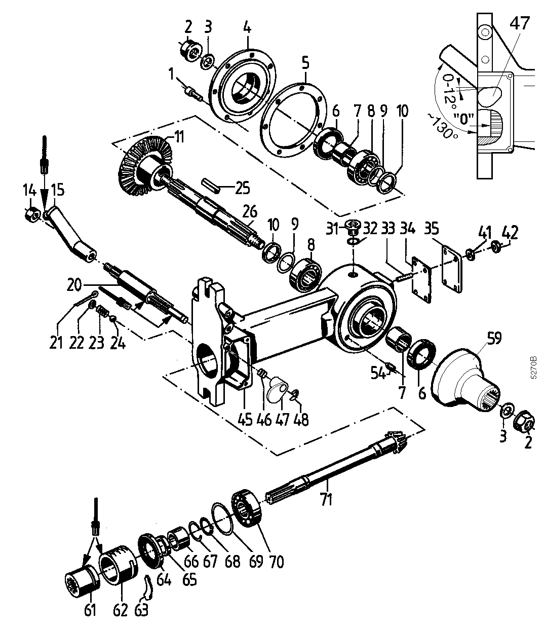
Zeichnung

Sollten Sie Fragen zu einem Ersatzteil für Agria Anbaugeräte für Bodenbearbeitung haben, können Sie uns gerne eine E-Mail (mit einem Foto vom Typenschild Ihres Gerätes) schreiben oder eine Ersatzteilanfrage stellen.

Folgende Ersatzteile für Agria # Anbaugeräte für Bodenbearbeitung # Egge, Kreiselegge, Egalisierrechen 3477 # Art-Nr 3477511 | Egalisierrechen Doppel L 130cm | Egalisierrechen 3477 511/521 # Antrieb div. # Triebwerk für Egalisierrechen | 3477 511, 3477 531, 3401 911 < 2001 ! können Sie hier bestellen:
Artikel 1 - 20 von 51


Artikel 1 - 20 von 51