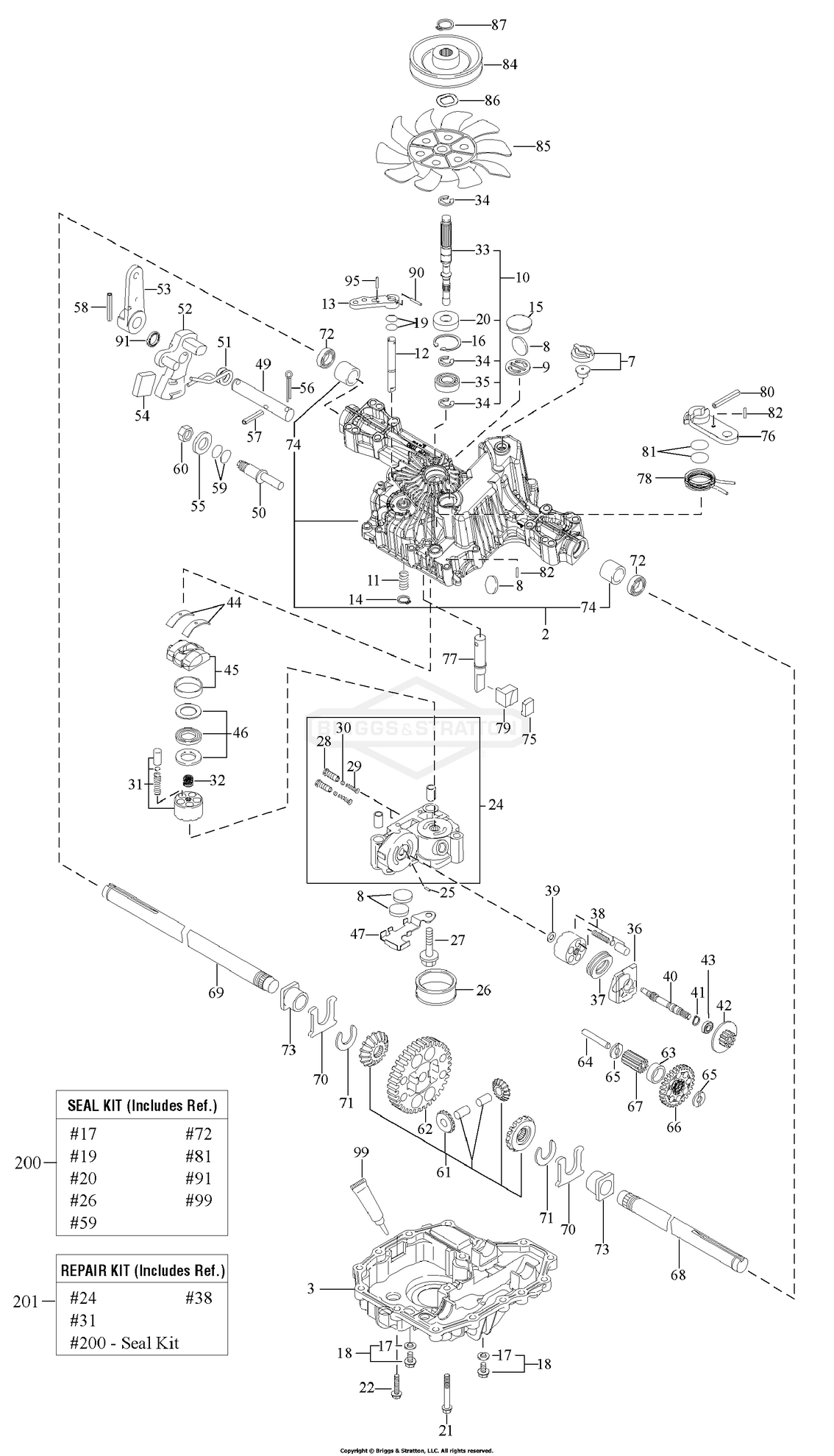
Transmission SERVICE PARTS - Tuff Torq K46BP

Zeichnung Snapper 2691487-00 - SPX110, 42" (107cm) 17.5 Gross HP SPX Lawn Tractor 150 Series aus der Zeichnungsgruppe Transmission SERVICE PARTS - Tuff Torq K46BP:

Zeichnung

Sollten Sie Fragen zu einem Ersatzteil haben, können Sie uns gerne eine Ersatzteilanfrage stellen.

Hier finden Sie alle Ersatzteile von Snapper 2691487-00 - SPX110, 42" (107cm) 17.5 Gross HP SPX Lawn Tractor 150 Series der Zeichnungsgruppe Transmission SERVICE PARTS - Tuff Torq K46BP:
Artikel 1 - 20 von 35


Artikel 1 - 20 von 35