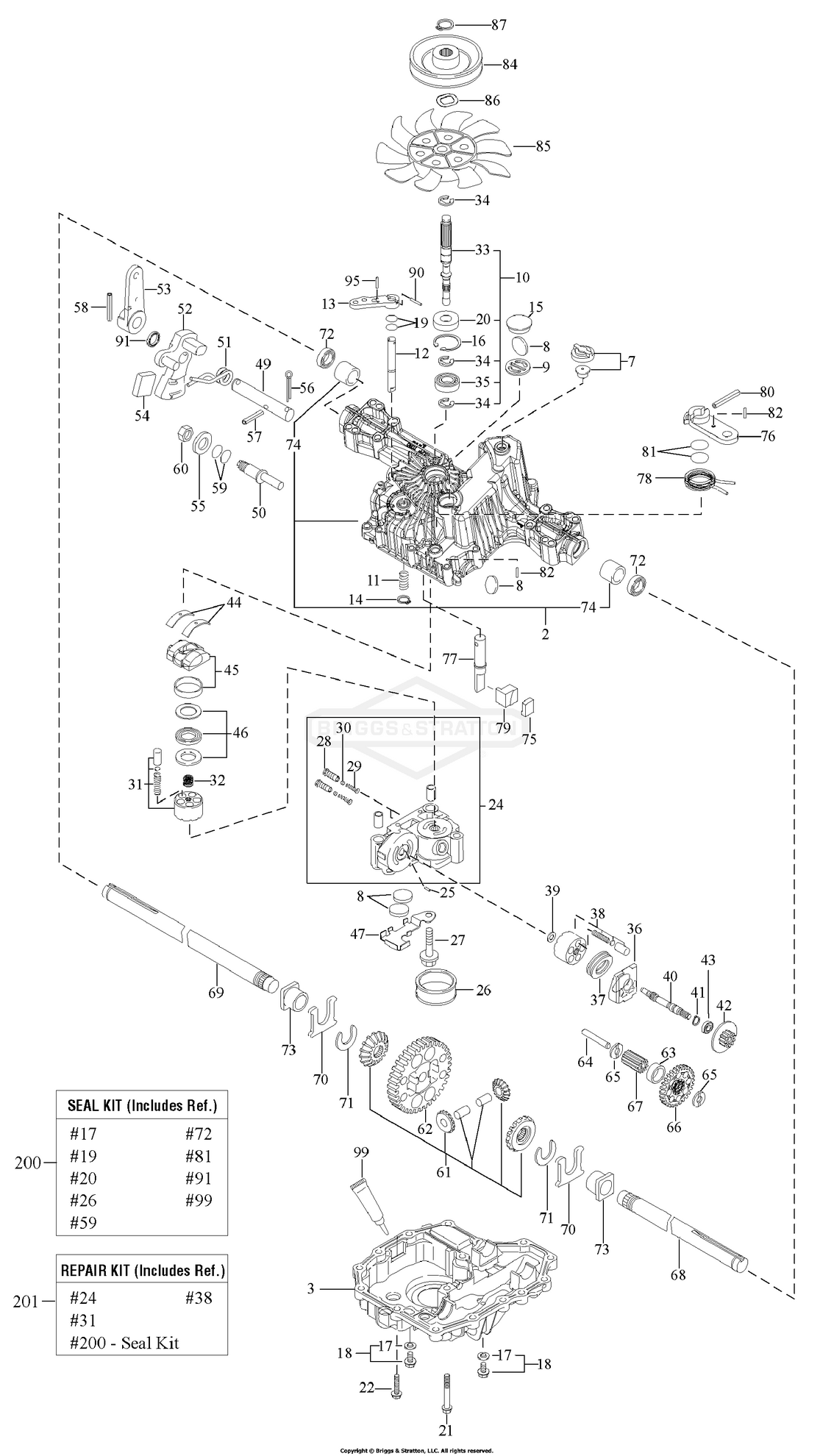
Transmission SERVICE PARTS - Tuff Torq K46BP (1729588)

Zeichnung Snapper 2691663-00 - SPX2542, 42" Fabricated 25 HP SPX Lawn Tractor 150 Series aus der Zeichnungsgruppe Transmission SERVICE PARTS - Tuff Torq K46BP (1729588):

Zeichnung

Sollten Sie Fragen zu einem Ersatzteil haben, können Sie uns gerne eine Ersatzteilanfrage stellen.

Hier finden Sie alle Ersatzteile von Snapper 2691663-00 - SPX2542, 42" Fabricated 25 HP SPX Lawn Tractor 150 Series der Zeichnungsgruppe Transmission SERVICE PARTS - Tuff Torq K46BP (1729588):
Artikel 1 - 20 von 35


Artikel 1 - 20 von 35