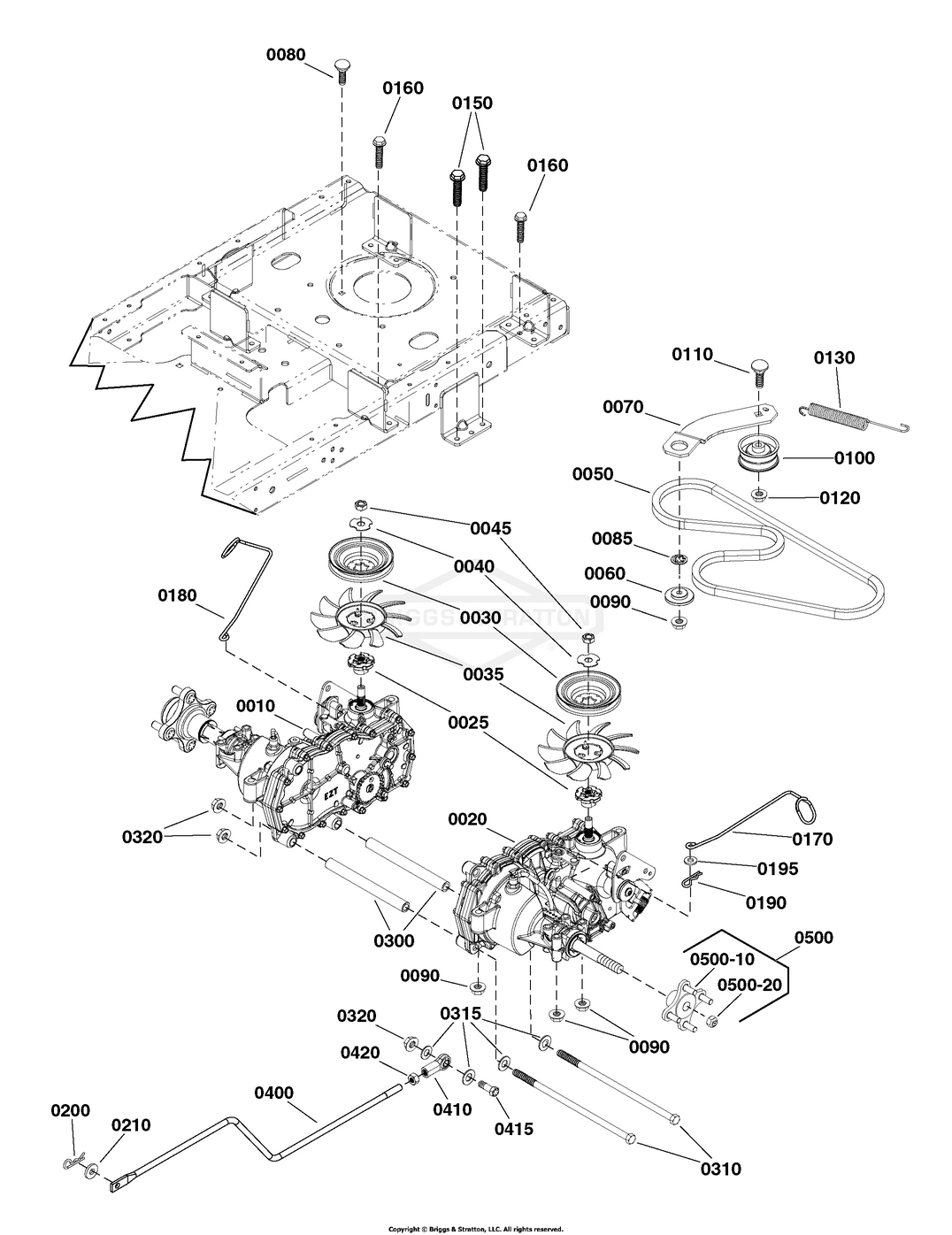
Transmission Group

Zeichnung Snapper 2691402-00 - ZT21542, 42" 21.5 HP ZTR 360Z Series - Zeichnungsgruppe Transmission Group:

Zeichnung

Sollten Sie Fragen zu einem Ersatzteil haben, können Sie uns gerne eine Ersatzteilanfrage stellen.

Hier finden Sie alle Ersatzteile von Snapper 2691402-00 - ZT21542, 42" 21.5 HP ZTR 360Z Series der Zeichnungsgruppe Transmission Group:
Artikel 1 - 20 von 33


Artikel 1 - 20 von 33