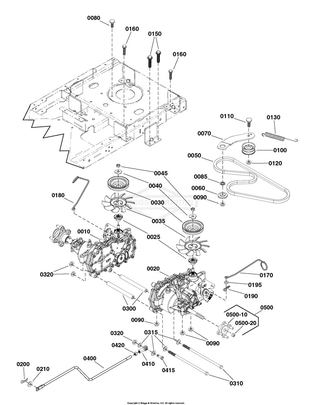
Transmission Group

Zeichnung Snapper 2691316-01 - ZT2246, 46" (117CM) 22HP, 360Z Series - Zeichnungsgruppe Transmission Group:

Zeichnung

Sollten Sie Fragen zu einem Ersatzteil haben, können Sie uns gerne eine Ersatzteilanfrage stellen.

Hier finden Sie alle Ersatzteile von Snapper 2691316-01 - ZT2246, 46" (117CM) 22HP, 360Z Series der Zeichnungsgruppe Transmission Group:
Artikel 1 - 20 von 33


Artikel 1 - 20 von 33