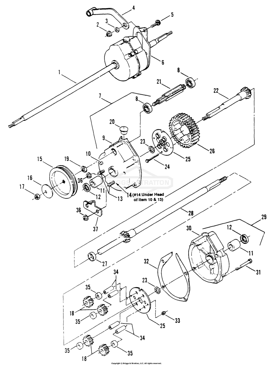
Transmission (Differential)

Zeichnung Snapper 80514 - EXP21551VE, 21" 5.5 HP Jet-Vac Rear Discharge Cast Deck Elect - Zeichnungsgruppe Transmission (Differential):

Zeichnung

Sollten Sie Fragen zu einem Ersatzteil haben, können Sie uns gerne eine Ersatzteilanfrage stellen.

Hier finden Sie alle Ersatzteile von Snapper 80514 - EXP21551VE, 21" 5.5 HP Jet-Vac Rear Discharge Cast Deck Elect der Zeichnungsgruppe Transmission (Differential):
Artikel 1 - 20 von 32


Artikel 1 - 20 von 32