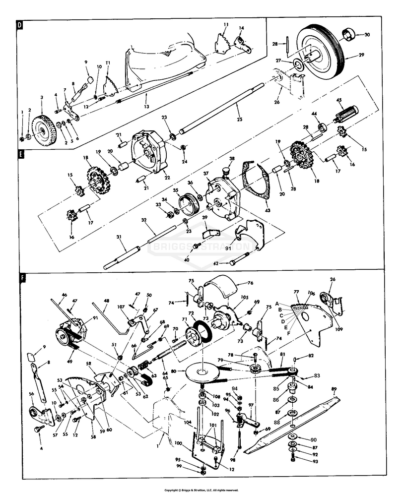
Transmission Assembly

Zeichnung Snapper 83555 - V21XPS, 21" 3.5 HP Cast Deck Side Discharge Series VX - Zeichnungsgruppe Transmission Assembly:

Zeichnung

Sollten Sie Fragen zu einem Ersatzteil haben, können Sie uns gerne eine Ersatzteilanfrage stellen.

Hier finden Sie alle Ersatzteile von Snapper 83555 - V21XPS, 21" 3.5 HP Cast Deck Side Discharge Series VX der Zeichnungsgruppe Transmission Assembly:
Artikel 1 - 20 von 73