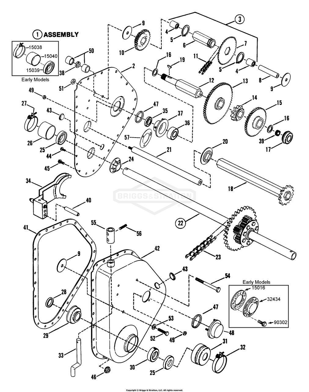
Transmission Assembly Parts

Zeichnung Snapper 82078 - LT16412, 41" 16 HP Disc Drive Tractor Series 2 aus der Zeichnungsgruppe Transmission Assembly Parts:

Zeichnung

Sollten Sie Fragen zu einem Ersatzteil haben, können Sie uns gerne eine Ersatzteilanfrage stellen.

Hier finden Sie alle Ersatzteile von Snapper 82078 - LT16412, 41" 16 HP Disc Drive Tractor Series 2 der Zeichnungsgruppe Transmission Assembly Parts:
Artikel 1 - 20 von 46


Artikel 1 - 20 von 46