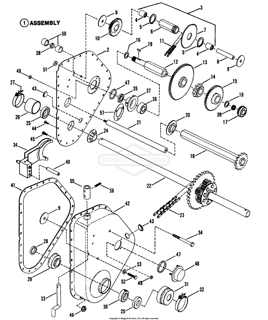
Transmission Assembly Parts

Zeichnung Snapper 82069 - YT16333, 33" 16 HP Disc Drive Yard Tractor Series 3 aus der Zeichnungsgruppe Transmission Assembly Parts:

Zeichnung

Sollten Sie Fragen zu einem Ersatzteil haben, können Sie uns gerne eine Ersatzteilanfrage stellen.

Hier finden Sie alle Ersatzteile von Snapper 82069 - YT16333, 33" 16 HP Disc Drive Yard Tractor Series 3 der Zeichnungsgruppe Transmission Assembly Parts:
Artikel 1 - 20 von 43


Artikel 1 - 20 von 43