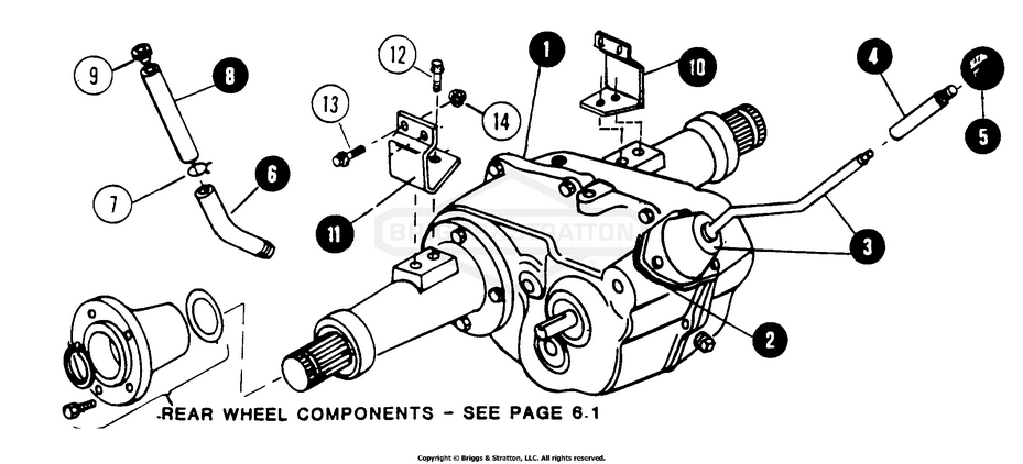
Transaxle

Zeichnung Snapper 80124 - 1600A, 16 HP Gear Drive Garden Tractor (MF) aus der Zeichnungsgruppe Transaxle:

Zeichnung

Sollten Sie Fragen zu einem Ersatzteil haben, können Sie uns gerne eine Ersatzteilanfrage stellen.

Hier finden Sie alle Ersatzteile von Snapper 80124 - 1600A, 16 HP Gear Drive Garden Tractor (MF) der Zeichnungsgruppe Transaxle:
Artikel 1 - 3 von 3


Artikel 1 - 3 von 3