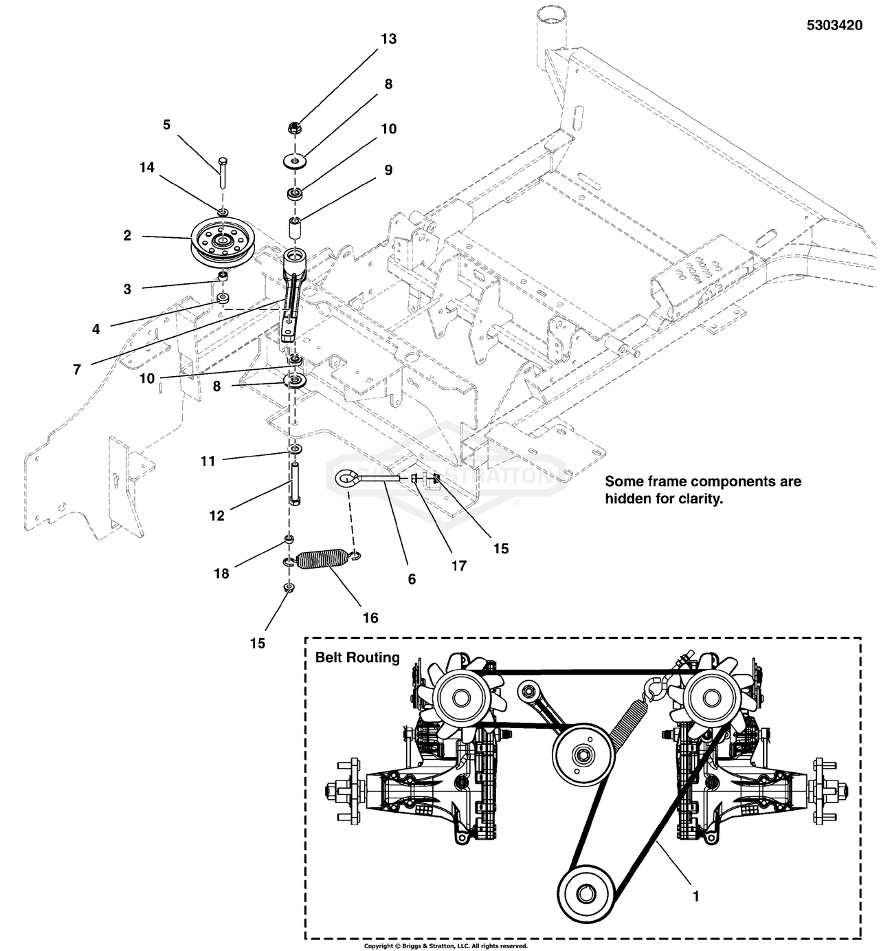
Transaxle Drive Group

Zeichnung Snapper 5901400 - 550ZKAV2452, 52" 24HP ZTR 550Z Series - Zeichnungsgruppe Transaxle Drive Group:

Zeichnung

Sollten Sie Fragen zu einem Ersatzteil haben, können Sie uns gerne eine Ersatzteilanfrage stellen.

Hier finden Sie alle Ersatzteile von Snapper 5901400 - 550ZKAV2452, 52" 24HP ZTR 550Z Series der Zeichnungsgruppe Transaxle Drive Group:
Artikel 1 - 19 von 19


Artikel 1 - 19 von 19