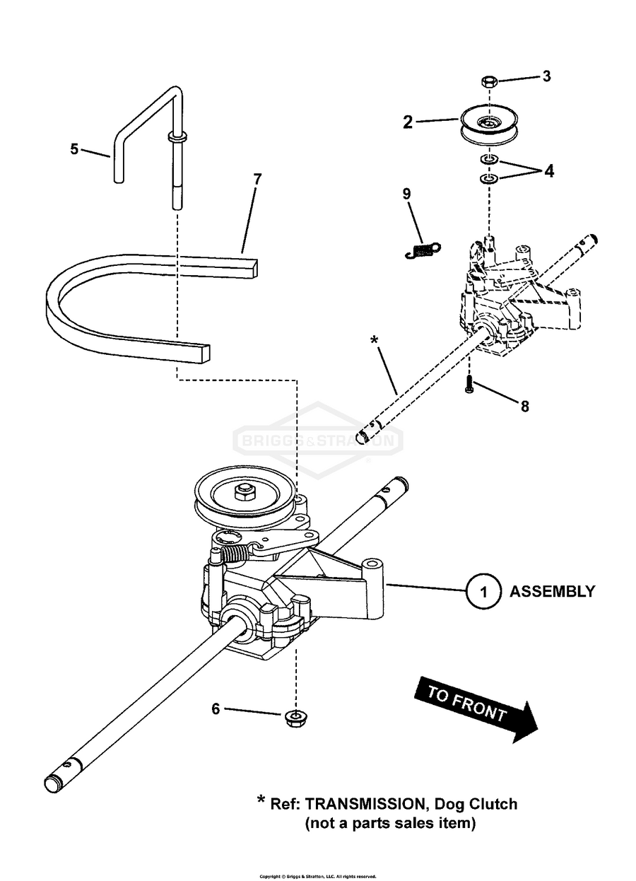
TRANSMISSION

Zeichnung Snapper 7800065 - ESPV21S, 21" 6.5GT Steel Deck Swivel Wheel Easy Line Euro Walk Mower - Zeichnung TRANSMISSION:

Zeichnung

Sollten Sie Fragen zu einem Ersatzteil haben, können Sie uns gerne eine Ersatzteilanfrage stellen.

Hier finden Sie alle Ersatzteile von Snapper 7800065 - ESPV21S, 21" 6.5GT Steel Deck Swivel Wheel Easy Line Euro Walk Mower der Zeichnungsgruppe TRANSMISSION:
Artikel 1 - 8 von 8


Artikel 1 - 8 von 8